Cảm biến vị trí BTL7-E501-M0050-P-S32 (BTL1H22), BTL7-E500-M0508-K-SR322, BTL7-E500-M0533-K-SR32
Balluff BTL7-E501-M0050-P-S32 (BTL1H22), BTL7-E500-M0508-K-SR322 và BTL7-E500-M0533-K-SR32 đều là cảm biến đo vị trí tuyến tính dòng BTL7, sử dụng công nghệ từ giảo cho phép đo không tiếp xúc, độ chính xác cao và độ bền vượt trội. Các sản phẩm này đáp ứng nhiều dải đo khác nhau, hoạt động ổn định trong môi trường công nghiệp khắc nghiệt, phù hợp cho các ứng dụng như xi lanh thủy lực – khí nén, máy móc tự động hóa, dây chuyền sản xuất và hệ thống điều khiển vị trí yêu cầu độ tin cậy cao.
Điểm mạnh của cảm biến vị trí Balluff
- Không tiếp xúc cơ học: giảm hao mòn, tăng tuổi thọ.
- Đa dạng ứng dụng: từ xi lanh thủy lực cỡ lớn đến robot công nghiệp và CNC.
- Tích hợp dễ dàng: ngõ ra analog chuẩn công nghiệp, PLC/SCADA, tương thích nhiều hệ thống.
- Độ chính xác cao: Độ lặp lại ≤ ±5 µm, đảm bảo dữ liệu vị trí ổn định cho hệ thống điều khiển.
- Khả năng chống rung, sốc và bụi bẩn: Hoạt động tốt trong môi trường khắc nghiệt như thủy lực, ép nhựa, cán thép.
- Đa dạng chiều dài đo, phù hợp nhiều ứng dụng khác nhau.
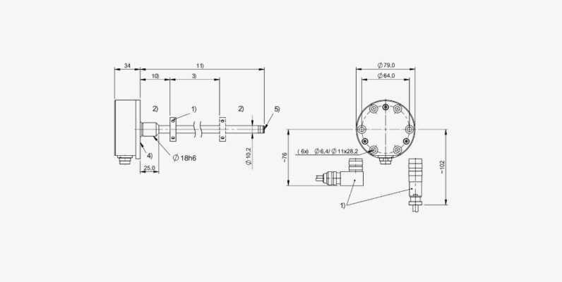
1. Balluff BTL7-E501-M0050-P-S32 (BTL1H22)
Cảm biến BTL7-E501-M0050-P-S32 cho phép đo hành trình không tiếp xúc, độ chính xác cao, tuổi thọ lâu dài, phù hợp cho môi trường công nghiệp tự động hóa khắc nghiệt. Cảm biến có dải đo 50 mm, sản phẩm lý tưởng cho các ứng dụng cần kiểm soát vị trí chính xác trong xi lanh và hệ thống tự động hóa.
Cung cấp tín hiệu analog ổn định, giúp điều khiển chính xác vị trí piston, bàn trượt và các cơ cấu chuyển động tuyến tính.
Thông số kỹ thuật chính
- Công nghệ đo: Magnetostrictive
- Dải đo: 50 mm
- Độ lặp lại: Rất cao (± vài µm)
- Tín hiệu đầu ra: Analog (chuẩn theo cấu hình P)
- Kết cấu: Dạng thanh (rod style)
- Cấp bảo vệ: IP67
- Nhiệt độ làm việc: −40 … +85 °C
- Kiểu kết nối: Đầu nối S32
- Hãng sản xuất: Balluff – Germany
Ứng dụng
- Xi lanh thủy lực – khí nén
- Máy ép, máy dập
- Dây chuyền tự động hóa
- Hệ thống định vị tuyến tính trong nhà máy

2. Balluff BTL7-E500-M0508-K-SR322
BTL7-E500-M0508-K-SR322 cho phép đo hành trình dài với tín hiệu chính xác, dải đo 508mm, ổn định và không bị mài mòn do không tiếp xúc cơ học.
Thiết kế chắc chắn giúp cảm biến hoạt động ổn định trong môi trường rung động và nhiễu điện cao.
Thông số kỹ thuật chính
- Công nghệ đo: Magnetostrictive
- Dải đo: 508 mm
- Độ phân giải: Cao
- Tín hiệu đầu ra: Analog
- Thân cảm biến: Dạng thanh
- Vật liệu vỏ: Inox công nghiệp
- Cấp bảo vệ: IP67
- Nhiệt độ hoạt động: −40 … +85 °C
- Chuẩn kết nối: SR322
Ứng dụng
- Hệ thống nâng – hạ
- Máy móc gia công cơ khí
- Dây chuyền sản xuất tự động
- Thiết bị đo hành trình dài trong công nghiệp

3. BTL7-E500-M0533-K-SR32
Cảm biến có dải đo 533mm, đáp ứng yêu cầu đo chính xác cao, độ ổn định lâu dài và khả năng làm việc liên tục trong môi trường công nghiệp nặng, dây chuyền sản xuất và thiết bị thủy lực chính xác .
Sản phẩm đặc biệt phù hợp với các hệ thống cần kiểm soát vị trí chính xác theo thời gian thực.
Thông số kỹ thuật chính
- Công nghệ đo: Từ giảo
- Dải đo: 533 mm
- Nguyên lý đo: Không tiếp xúc, không mài mòn
- Tín hiệu đầu ra: Analog
- Kết cấu: Rod-type
- Cấp bảo vệ: IP67
- Nhiệt độ làm việc: −40 … +85 °C
- Kiểu kết nối: SR32
Ứng dụng
- Tự động hóa nhà máy
- Thiết bị thủy lực chính xác
- Máy đóng gói, máy lắp ráp
- Dây chuyền sản xuất liên tục

Liên hệ.
Các bạn có thể tìm hiểu thêm thông tin về đại lý Balluff
Hãy liên hệ CTI SUPPLY – để được hỗ trợ kỹ thuật và tư vấn nhanh nhất. Đội ngũ CTI SUPPLY rất hân hạnh được hỗ trợ quý khách hàng! Hotline: 0906.494.486 ; Email: [email protected]
Hoặc chat qua Zalo: https://zalo.me/0906.494.486

English

Đánh giá
Chưa có đánh giá nào.