Trong các hệ thống đo lường và điều khiển hành trình tuyến tính, dòng cảm biến từ giảo (Magnetostrictive) BTL7 của Balluff được thiết kế để cung cấp dữ liệu phản hồi vị trí liên tục dựa trên nguyên lý hoạt động không tiếp xúc. Bài viết dưới đây sẽ tập trung phân tích các thông số kỹ thuật chi tiết và đặc tính vận hành của hai mã thiết bị BTL12TU (BTL7-E500-M0750-BM-KA15) và BTL2WJW (BTL7-E500-M2690-K-SR32).

1. Đặc tính kỹ thuật chi tiết dòng Balluff BTL7-E500
Dòng BTL7-E500 sử dụng công nghệ cảm ứng từ nghiêm (magnetostrictive), cho phép đo khoảng cách không tiếp xúc, giúp loại bỏ hoàn toàn sự mài mòn cơ học. Điều này đặc biệt quan trọng trong các môi trường làm việc khắc nghiệt.
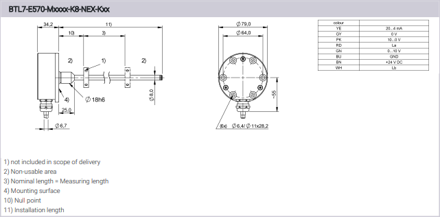
1.1. Thông số kỹ thuật của BTL12TU (BTL7-E500-M0750-BM-KA15).
Đây là model có hành trình đo tầm trung, thường được sử dụng trong các hệ thống thủy lực hoặc máy móc có kích thước vừa phải.
-
Mã sản phẩm: BTL7-E500-M0750-BM-KA15
-
Hành trình đo (Nominal Length): 750 mm.
-
Tín hiệu đầu ra (Interface): 4…20 mA (Analog current).
-
Điện áp hoạt động: 10…30 VDC.
-
Kiểu kết nối: Cáp đúc sẵn (Cable PVC) chiều dài 15 mét (KA15), giúp linh hoạt trong việc lắp đặt ở khoảng cách xa tủ điều khiển.
-
Chất liệu thân: Thép không gỉ (Aluminum/Stainless steel tùy phiên bản vỏ), chịu được áp suất cao trong xi lanh thủy lực lên đến 600 bar.
-
Cấp bảo vệ: IP67, chống bụi và nước xâm nhập hiệu quả.
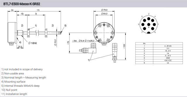
1.2. Thông số kỹ thuật của BTL2WJW (BTL7-E500-M2690-K-SR32).

Đây là phiên bản có hành trình đo rất dài, đáp ứng các yêu cầu khắt khe trong các dây chuyền sản xuất lớn hoặc thiết bị hạng nặng.
-
Mã sản phẩm: BTL7-E500-M2690-K-SR32
-
Hành trình đo: 2690 mm.
-
Tín hiệu đầu ra: Analog 4…20 mA.
-
Kiểu kết nối: Đầu nối Connector M16 (SR32), 8-pin. Việc sử dụng đầu nối giúp bảo trì và thay thế cảm biến nhanh chóng mà không cần đi lại dây cáp.
-
Tốc độ lấy mẫu: Phụ thuộc vào chiều dài hành trình, đảm bảo đáp ứng thời gian thực cho các hệ thống điều khiển phản hồi nhanh.
-
Nhiệt độ vận hành: -40°C đến +85°C.
2. Ưu điểm vượt trội của cảm biến vị trí Balluff.
Tại sao BTL12TU (BTL7-E500-M0750-BM-KA15) và BTL2WJW (BTL7-E500-M2690-K-SR32) lại được các kỹ sư ưu tiên lựa chọn?
-
Đo lường không tiếp xúc: Không có bộ phận chuyển động ma sát vào nhau, dẫn đến tuổi thọ sản phẩm gần như vô hạn về mặt cơ học.
-
Độ chính xác tuyệt đối: Với sai số cực thấp, cảm biến Balluff cho phép kiểm soát vị trí chính xác đến từng micromet, giúp tối ưu hóa chất lượng sản phẩm đầu ra.
-
Khả năng chịu áp suất cực cao: Thiết kế dạng thanh lắp trong xi lanh (Rod-style) cho phép thiết bị làm việc trực tiếp trong môi trường dầu thủy lực với áp suất vận hành liên tục.
-
Tín hiệu ổn định: Tín hiệu Analog 4-20mA có khả năng chống nhiễu tốt, truyền dẫn đi xa mà không bị suy hao đáng kể, phù hợp với môi trường nhà máy nhiều biến tần và motor công suất lớn.
-
Dễ dàng cài đặt: Hỗ trợ tính năng thiết lập dải đo (teach-in), giúp kỹ thuật viên điều chỉnh điểm đầu và điểm cuối một cách linh hoạt theo thực tế máy.
3. Ứng dụng thực tiễn của sản phẩm.

Sự đa dạng về hành trình đo (từ 750mm đến 2690mm) giúp dòng BTL7-E500 phủ sóng trong nhiều lĩnh vực:
-
Hệ thống Thủy lực: Giám sát hành trình của các xi lanh trong máy ép, máy chấn tôn, hoặc các cửa van đập thủy điện.
-
Công nghiệp Nhựa: Kiểm soát vị trí khuôn mẫu trong máy ép phun nhựa, đảm bảo chu kỳ ép chính xác và đồng nhất.
-
Khai thác Khoáng sản & Năng lượng: Sử dụng trong các thiết bị nâng hạ hạng nặng, hệ thống điều khiển cánh tuabin gió.
-
Ngành Thép: Đo lường vị trí trong các dây chuyền cán thép nóng, nơi nhiệt độ môi trường và độ rung lắc rất cao.
4. CTI Supply – Đại lý phân phối Balluff chính hãng tại Việt Nam
Việc lựa chọn một thiết bị kỹ thuật cao như Balluff đòi hỏi sự đồng hành của một đơn vị cung cấp uy tín để đảm bảo sản phẩm chính hãng và hỗ trợ kỹ thuật chuyên sâu.
CTI Supply tự hào là đại lý ủy quyền của Balluff tại thị trường Việt Nam. Chúng tôi không chỉ cung cấp sản phẩm mà còn mang đến giải pháp toàn diện cho khách hàng:
-
Hàng chính hãng: Cam kết đầy đủ chứng nhận CO/CQ từ Balluff. Các mã hàng như BTL12TU (BTL7-E500-M0750-BM-KA15), BTL2WJW (BTL7-E500-M2690-K-SR32) luôn được đảm bảo về nguồn gốc.
-
Giá cả cạnh tranh: Nhờ mối quan hệ đối tác trực tiếp, CTI Supply mang đến chính sách giá ưu đãi nhất cho các đơn vị làm tủ bảng điện (OEM) và nhà máy sử dụng cuối (End-user).
-
Hỗ trợ kỹ thuật chuyên sâu: Đội ngũ kỹ sư của CTI Supply sẵn sàng tư vấn giải pháp thay thế, hướng dẫn lắp đặt và cấu hình cảm biến phù hợp với hệ thống hiện hữu của khách hàng.
-
Giao hàng nhanh chóng: Tối ưu hóa quy trình logistics để rút ngắn thời gian chờ đợi, giúp nhà máy duy trì sản xuất liên tục.
5. Thông tin mua hàng.
Bạn có thể liên hệ trực tiếp với Công ty TNHH CTI Supply – đại lý Balluff tại Việt Nam để được tư vấn và hỗ trợ kỹ thuật.
Các bạn có thể tham khảo thêm sản phẩm bằng cách nhấp vào : Balluff Việt Nam
Hãy liên hệ CTI SUPPLY – nhà phân phối Balluff tại Việt Nam để được tư vấn và gửi báo giá nhanh nhất. Đội ngũ CTI SUPPLY rất hân hạnh được hỗ trợ quý khách hàng! Hotline: 0906.494.486 ; Email: [email protected]
Hoặc chat qua Zalo: https://zalo.me/0906.494.486

English