Các dòng cảm biến vị trí tuyến tính (Linear Position Sensors) của Balluff, đặc biệt là thế hệ BTL7, đã trở thành tiêu chuẩn vàng nhờ độ bền và độ chính xác cực cao.
Tại Việt Nam, CTI Supply tự hào là đơn vị phân phối và hỗ trợ kỹ thuật chuyên sâu cho các mã sản phẩm chiến lược: BTL26PF, BTL2Z1N và BTL29R7. Bài viết này sẽ phân tích chi tiết thông số kỹ thuật và ưu điểm vượt trội của các dòng cảm biến này.

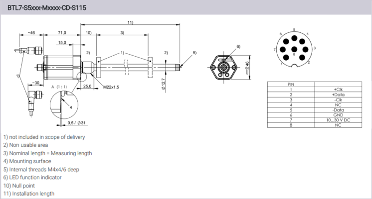
1. Đặc tính kỹ thuật chi tiết các dòng cảm biến Balluff BTL7.
Dòng BTL7 là bước tiến đột phá so với các thế hệ trước, mang lại độ phân giải cao hơn, khả năng chống nhiễu vượt trội và thiết kế bền bỉ trong môi trường khắc nghiệt.
1.1. Mã sản phẩm BTL26PF (Model: BTL7-S511B-M0175-P-KA15-ZA0A).
Đây là dòng cảm biến dạng thanh (rod style) với giao diện truyền thông nối tiếp đồng bộ (SSI).
-
Hành trình đo (Stroke length): 175 mm.
-
Giao diện (Interface): SSI (S511B), hỗ trợ truyền dữ liệu tốc độ cao và ổn định.
-
Kiểu kết nối: Cáp rời (KA15), giúp linh hoạt trong việc lắp đặt tại các không gian hẹp.
-
Độ phân giải: Có khả năng đạt đến 1μm, đảm bảo sai số cực thấp trong các ứng dụng điều khiển vị trí chính xác.
-
Cấu tạo vỏ: Thép không gỉ, chịu được áp suất cao, thường dùng cho các xi lanh thủy lực.
1.2. Mã sản phẩm BTL2Z1N (Model: BTL7-S512B-M0051-P-S32).

Sản phẩm này tối ưu cho các hành trình ngắn với độ nhạy cực cao.
-
Hành trình đo: 51 mm.
-
Giao diện: SSI (S512B) với mã hóa Gray hoặc Binary tùy chọn.
-
Kiểu kết nối: Đầu nối S32 (M16, 8-pin), tiêu chuẩn công nghiệp giúp việc thay thế và bảo trì nhanh chóng.
-
Tần số lấy mẫu: Lên đến 4 kHz, cho phép phản hồi vị trí gần như tức thời.
-
Độ lặp lại: ≤ 6μm.
1.3. Mã sản phẩm BTL29R7 (Model: BTL7-S512-M0100-P-S32).
Một model phổ biến trong các hệ thống tự động hóa trung bình.
-
Hành trình đo: 100 mm.
-
Giao diện: SSI, tối ưu hóa cho các bộ điều khiển PLC hiện đại.
-
Điện áp hoạt động: 10…30 VDC.
-
Cấp bảo vệ: IP67 (khi lắp đặt đúng cách), chống bụi và chống nước xâm nhập hiệu quả.
-
Nhiệt độ vận hành: Từ -40℃ đến +85℃.
2. Thông số kỹ thuật chung của dòng Balluff Micropulse BTL7
| Thông số | Giá trị chi tiết |
| Nguyên lý đo | Từ giảo (Magnetostrictive) – Không tiếp xúc |
| Vật liệu vỏ | Nhôm định hình hoặc Thép không gỉ 1.4571 |
| Tốc độ truyền SSI | 100kHz đến 1MHz |
| Độ tuyến tính | 50 μm (tùy thuộc chiều dài hành trình) |
| Khả năng chịu sốc | 150g / 6ms theo chuẩn IEC 60068-2-27 |
| Khả năng chịu rung | 20g, 10…2000Hz theo chuẩn IEC 60068-2-6 |
3. Điểm mạnh vượt trội của cảm biến vị trí Balluff.

Tại sao BTL26PF, BTL2Z1N và BTL29R7 lại được các kỹ sư tin dùng?
-
Công nghệ không tiếp xúc: Vì không có sự ma sát giữa bộ phận cảm biến và nam châm vị trí, thiết bị gần như không bị mài mòn theo thời gian, kéo dài tuổi thọ vận hành và giảm chi phí bảo trì.
-
Độ chính xác tuyệt đối: Với giao diện SSI, dữ liệu vị trí được số hóa hoàn toàn, loại bỏ nhiễu analog thường gặp ở các dòng cảm biến cũ.
-
Tích hợp dễ dàng: Cấu trúc dạng thanh (Profile) hoặc lắp trong xi lanh (Rod) cho phép lắp đặt vào nhiều loại máy móc khác nhau từ máy ép nhựa, máy cắt kim loại đến hệ thống nâng hạ.
-
Đèn LED chẩn đoán: Các dòng BTL7 thường tích hợp đèn LED hiển thị trạng thái hoạt động, giúp kỹ thuật viên nhanh chóng xác định lỗi kết nối hoặc mất tín hiệu nam châm.
4. Ứng dụng thực tiễn của sản phẩm.
Cảm biến Balluff mã BTL7-S511B-M0175-P-KA15-ZA0A, BTL7-S512B-M0051-P-S32 và BTL7-S512-M0100-P-S32 được ứng dụng rộng rãi trong:
-
Hệ thống thủy lực: Giám sát hành trình piston trong xi lanh thủy lực với áp suất làm việc lên đến 600 bar.
-
Công nghiệp năng lượng: Điều khiển góc nghiêng cánh quạt tua-bin gió hoặc vị trí van trong các nhà máy nhiệt điện.
-
Máy công cụ CNC: Theo dõi vị trí các trục máy đảm bảo độ chính xác khi gia công chi tiết phức tạp.
-
Ngành nhựa và cao su: Kiểm soát vị trí khuôn ép, giúp sản phẩm đầu ra đồng nhất về chất lượng.
5. Thông tin mua hàng.
Bạn có thể liên hệ trực tiếp với Công ty TNHH CTI Supply – đại lý Balluff tại Việt Nam để được tư vấn và hỗ trợ kỹ thuật.
Các bạn có thể tham khảo thêm sản phẩm bằng cách nhấp vào: Balluff Việt Nam
Hãy liên hệ CTI SUPPLY – nhà phân phối Balluff tại Việt Nam để được tư vấn và gửi báo giá nhanh nhất. Đội ngũ CTI SUPPLY rất hân hạnh được hỗ trợ quý khách hàng! Hotline: 0906.494.486 ; Email: [email protected]
Hoặc chat qua Zalo: https://zalo.me/0906.494.486

English
Đánh giá
Chưa có đánh giá nào.