Cảm biến vị trí BTL2JM5 (BTL7-E570-M0150-K-K10) đây là giải pháp đo lường không tiếp xúc tuyệt đối, giúp loại bỏ hoàn toàn ma sát và duy trì độ chính xác bền bỉ theo thời gian. Các mã sản phẩm khác như BTL2JM5, BTL2088 và BTL0ZYA không chỉ đạt tiêu chuẩn cao về độ phân giải (micromet) mà còn sở hữu khả năng chống chịu áp suất tĩnh lên đến 600 bar. Với giao diện đầu ra Analog 4–20 mA, thiết bị đảm bảo tính tương thích hoàn hảo với mọi hệ thống điều khiển PLC hiện đại, đồng thời tối ưu hóa khả năng chống nhiễu trên các đường truyền tín hiệu dài.
Trong bài phân tích kỹ thuật này, chúng ta sẽ đi sâu vào thông số chi tiết của dòng Cảm Biến VỊ trí Balluff BTL7-E570 và các biến thể hành trình dài, cũng như lý do tại sao CTI Supply được tin tưởng là đại diện phân phối và hỗ trợ kỹ thuật hàng đầu của Balluff tại Việt Nam.

1. Đặc Tính Kỹ Thuật Chung Dòng Cảm Biến Balluff BTL7-E570.
Dòng BTL7-E570 sử dụng công nghệ từ giảo (magnetostrictive), cho phép đo khoảng cách mà không cần tiếp xúc trực tiếp. Điều này giúp loại bỏ hoàn toàn sự mài mòn cơ học, kéo dài tuổi thọ thiết bị ngay cả trong các ứng dụng có tần suất hoạt động cực cao.
Thông số kỹ thuật nền tảng:
-
Giao diện đầu ra: Tín hiệu dòng điện 4–20 mA, giúp giảm thiểu nhiễu trên đường truyền dài.
-
Điện áp hoạt động: 10…30 VDC.
-
Độ phân giải: Cực cao, thường ở mức $\le 1 \mu m$.
-
Nhiệt độ vận hành: Từ -40°C đến +85°C.
-
Cấp bảo vệ: IP67 hoặc IP68 (tùy thuộc vào loại đầu kết nối), chống bụi và nước xâm nhập tuyệt đối.
2. Chi Tiết Thông Số Kỹ Thuật Từng Mã Sản Phẩm.
Dòng cảm biến vị trí tuyến tính Balluff BTL7-E570 được thiết kế để hoạt động trong những điều kiện khắc nghiệt nhất. Điểm đặc biệt của series này là khả năng cung cấp tín hiệu analog chuẩn 4-20 mA với độ ổn định tuyệt đối ngay cả khi chịu tác động của rung động mạnh hoặc áp suất thủy lực cao.

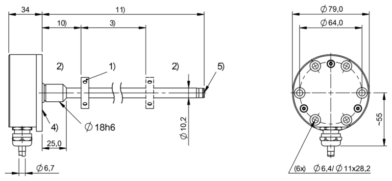
2.1. Cảm biến Balluff BTL2JM5 (BTL7-E570-M0150-K-K10)
Đây là phiên bản nhỏ gọn, phù hợp cho các hành trình đo ngắn trong không gian hẹp.
-
Mã đặt hàng: BTL2JM5
-
Mã kỹ thuật: BTL7-E570-M0150-K-K10
-
Hành trình đo (Nominal Length): 150 mm.
-
Kiểu lắp đặt: Dạng thanh (Rod design), lắp trong xi lanh thủy lực.
-
Kết nối: Cáp nối trực tiếp (K10 – cáp PUR 10m), tối ưu cho các vị trí khó tiếp cận đầu nối connector.
-
Tần suất lấy mẫu: Thích hợp cho các chuyển động tốc độ trung bình đến cao với sai số tuyến tính cực thấp ($\pm 50 \mu m$).
2.2. Cảm biến Balluff BTL2088 (BTL7-E570-M0280-B-KA00)
Mã sản phẩm này được thiết kế với độ dài hành trình trung bình, cân bằng giữa độ linh hoạt và độ chính xác.
-
Mã đặt hàng: BTL2088
-
Mã kỹ thuật: BTL7-E570-M0280-B-KA00
-
Hành trình đo: 280 mm.
-
Kiểu ren lắp đặt: M18x1.5, phù hợp với hầu hết các tiêu chuẩn xi lanh công nghiệp.
-
Vật liệu thân: Thép không gỉ (1.4571), chịu được môi trường hóa chất nhẹ hoặc độ ẩm cao.
-
Đặc điểm nổi bật: Tín hiệu ra 4-20 mA ổn định, chống nhiễu điện từ (EMC) theo tiêu chuẩn EN 61326-2-3.
2.3. Cảm biến Balluff BTL0ZYA (BTL7-E570-M1524-Z-S32)
Đây là giải pháp cho các hệ thống lớn, yêu cầu hành trình đo dài lên đến hơn 1.5 mét.
-
Mã đặt hàng: BTL0ZYA
-
Mã kỹ thuật: BTL7-E570-M1524-Z-S32
-
Hành trình đo: 1524 mm.
-
Kết nối: Connector M12 (S32), giúp việc thay thế và bảo trì trở nên nhanh chóng mà không cần tháo dây dẫn phức tạp.
-
Áp suất vận hành: Chịu được áp suất tĩnh lên đến 600 bar khi lắp trong lòng xi lanh thủy lực.
-
Độ chính xác: Mặc dù hành trình dài nhưng cảm biến này vẫn duy trì độ lặp lại cực kỳ ấn tượng, đảm bảo hệ thống vận hành được đồng nhất.
3. Ưu Điểm Vượt Trội Của Cảm Biến Vị Trí Balluff.

-
Độ bền tuyệt đối: Nhờ công nghệ đo không tiếp xúc, các mã BTL2JM5, BTL2088, và BTL0ZYA không bị hao mòn theo thời gian, giảm thiểu chi phí khi phải bảo trì và thay thế sản phẩm mới.
-
Khả năng chống chịu môi trường: Thân cảm biến bằng thép không gỉ cùng cấp bảo vệ IP67/68 cho phép thiết bị làm việc trong môi trường dầu thủy lực, bụi bẩn và rung động mạnh.
-
Tín hiệu Analog tiêu chuẩn: Đầu ra 4-20 mA tương thích dễ dàng với các bộ PLC (Siemens, Mitsubishi, Rockwell…) mà không cần đến bộ chuyển đổi phức tạp.
-
Tốc độ phản hồi nhanh: Thời gian đáp ứng ngắn giúp hệ thống điều khiển phản ứng kịp thời với các biến đổi vị trí, tối ưu hóa cho chu kỳ sản xuất.
4. Ứng Dụng Thực Tế.
Cảm biến Balluff BTL7 series được ứng dụng rộng rãi trong nhiều ngành công nghiệp:
-
Hệ thống thủy lực: Lắp đặt bên trong các xi lanh để điều khiển vị trí tay máy, bàn nâng, hoặc các cơ cấu ép.
-
Công nghiệp nhựa: Kiểm soát hành trình đóng/mở khuôn trong máy ép nhựa một cách tốt nhất.
-
Năng lượng: Điều chỉnh góc nghiêng của cánh quạt tua-bin gió hoặc vị trí van trong nhà máy thủy điện.
-
Gia công kim loại: Giám sát vị trí của trục máy chấn, máy cắt CNC yêu cầu độ chính xác milimet.
5. Thông tin mua hàng.
Bạn có thể liên hệ trực tiếp với Công ty TNHH CTI Supply – đại lý Balluff tại Việt Nam để được tư vấn và hỗ trợ kỹ thuật.
Các bạn có thể tham khảo thêm sản phẩm bằng cách nhấp vào: Balluff Việt Nam
Hãy liên hệ CTI SUPPLY – nhà phân phối Balluff tại Việt Nam để được tư vấn và gửi báo giá nhanh nhất. Đội ngũ CTI SUPPLY rất hân hạnh được hỗ trợ quý khách hàng! Hotline: 0906.494.486 ; Email: [email protected]
Hoặc chat qua Zalo: https://zalo.me/0906.494.486

English
Đánh giá
Chưa có đánh giá nào.