Cảm biến vị trí Balluff mã BTL1H23, BTL1TF6 và BTL1FEU thuộc dòng BTL7-E501 được thiết kế để hoạt động bền bỉ trong môi trường áp suất cao và rung động mạnh, các thiết bị này đảm bảo dữ liệu phản hồi luôn chính xác đến từng micromet. Bài viết dưới đây sẽ đi sâu vào thông số kỹ thuật chi tiết của bộ ba sản phẩm này, đồng thời giới thiệu dịch vụ hỗ trợ kỹ thuật từ CTI Supply – Đại lý ủy quyền Balluff uy tín hàng đầu tại Việt Nam.

1. Thông Số Kỹ Thuật Chi Tiết: BTL1H23, BTL1TF6, BTL1FEU.
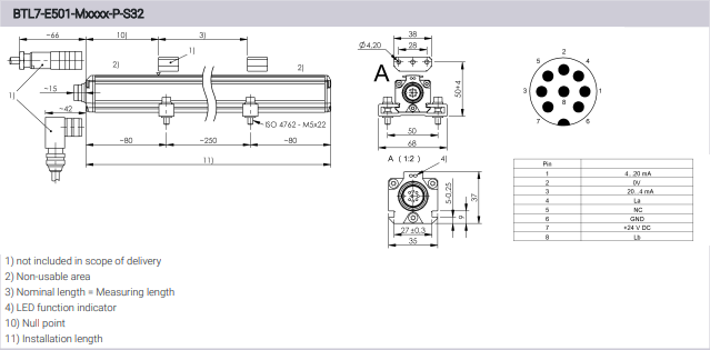
Cả ba mã này đều thuộc dòng BTL7-E501, sử dụng công nghệ từ giảo (Magnetostrictive) không tiếp xúc, giúp loại bỏ hoàn toàn sự mài mòn cơ học, do đó chúng chia sẻ hầu hết các đặc tính nền tảng và chỉ khác biệt về hành trình đo. Dưới đây là bảng tổng hợp và phân tích chi tiết thông số kỹ thuật cho bộ ba cảm biến Balluff:
| Mã đặt hàng (Order Code) | Ký hiệu kỹ thuật (Part Number) | Hành trình đo (Nominal Length) |
| BTL1H23 | BTL7-E501-M0100-P-S32 | 100 mm |
| BTL1TF6 | BTL7-E501-M0160-P-S32 | 160 mm |
| BTL1FEU | BTL7-E501-M0300-P-S32 | 300 mm |
Thông số riêng biệt cho từng mã:
-
BTL1H23 (BTL7-E501-M0100-P-S32): Hành trình đo định mức là 100 mm. Phù hợp cho các ứng dụng hành trình ngắn, yêu cầu sự gọn nhẹ nhưng vẫn đảm bảo độ chính xác cực cao.
-
BTL1TF6 (BTL7-E501-M0160-P-S32): Hành trình đo định mức là 160 mm. Đây là kích thước trung bình, thường dùng trong các hệ thống gá kẹp hoặc xi lanh thủy lực cỡ nhỏ.
-
BTL1FEU (BTL7-E501-M0300-P-S32): Hành trình đo định mức là 300 mm. Giải pháp tối ưu cho các thiết bị cần dải đo dài hơn, tích hợp trong các máy công cụ hoặc dây chuyền lắp ráp tự động.

Bảng thông số chung của dòng BTL7-E501-M…-P-S32:
| Đặc tính | Chi tiết kỹ thuật |
| Giao diện đầu ra | Analog (Current) 4–20 mA |
| Điện áp hoạt động | 10…30 VDC |
| Độ phân giải | ≤ 0.2 μA |
| Độ lặp lại | ≤ 10 μm |
| Tần số lấy mẫu | Lên đến 4 kHz (tùy thuộc vào hành trình) |
| Chất liệu vỏ | Nhôm / Thép không gỉ |
| Kiểu kết nối | Đầu nối S32 (M16, 8-pin) |
| Cấp bảo vệ | IP67 |
2. Đặc Tính Kỹ Thuật Nổi Bật.
Dòng cảm biến BTL7-E501 sở hữu những công nghệ tiên tiến nhất của Balluff:
2.1. Công nghệ Magnetostrictive không tiếp xúc
Khác với các cảm biến điện trở hoặc cảm biến tiếp xúc thông thường, dòng BTL7 sử dụng từ trường để xác định vị trí. Điều này đồng nghĩa với việc không có sự ma sát giữa các bộ phận, kéo dài tuổi thọ thiết bị gần như vô hạn trong điều kiện vận hành chuẩn.
2.2. Chống chịu môi trường khắc nghiệt.
Với vỏ bọc bằng nhôm anodized và cấp bảo vệ IP67, các sản phẩm cảm biến này có khả năng chống bụi, chống nước xâm nhập và chịu được rung động mạnh (lên đến 150g). Đây là lựa chọn hàng đầu cho các môi trường công nghiệp nặng như nhà máy thép, xi măng hoặc gia công cơ khí.
2.3. Giao diện Analog chuẩn hóa.
Tín hiệu 4–20 mA là tiêu chuẩn vàng trong truyền dẫn tín hiệu công nghiệp nhờ khả năng chống nhiễu tốt trên khoảng cách dài. Việc tích hợp vào các hệ thống PLC (Siemens, Mitsubishi, Rockwell…) trở nên vô cùng đơn giản và nhanh chóng.
3. Ứng Dụng Của Cảm Biến vị trí Balluff BTL7.

Nhờ vào độ chính xác lên đến micromet, các mã cảm biến này được ứng dụng rộng rãi trong:
-
Hệ thống xi lanh thủy lực: Giám sát vị trí pít-tông trong thời gian thực, giúp điều khiển hành trình đóng/ngắt van chính xác.
-
Máy ép nhựa và máy đúc: Kiểm soát vị trí khuôn mẫu, đảm bảo chất lượng sản phẩm đồng nhất và giảm thiểu phế phẩm.
-
Công nghiệp năng lượng: Điều khiển góc mở của các cánh tuabin hoặc van tiết lưu trong nhà máy điện.
-
Hệ thống nâng hạ tự động: Xác định vị trí của bàn nâng trong các kho vận thông minh (Smart Warehouse).
4. Điểm Mạnh.
-
Độ tin cậy cao: Giảm thiểu thời gian dừng máy (Downtime) ngoài ý muốn do hỏng hóc cảm biến.
-
Dễ dàng bảo trì: Đèn LED tích hợp trên thân cảm biến giúp kỹ thuật viên dễ dàng chẩn đoán trạng thái hoạt động và lỗi kết nối.
-
Tính linh hoạt: Có thể hoạt động ổn định trong dải nhiệt độ rộng từ -40°C đến +85°C.
5. Thông tin mua hàng.
Bạn có thể liên hệ trực tiếp với Công ty TNHH CTI Supply – đại lý Balluff tại Việt Nam để được tư vấn và hỗ trợ kỹ thuật.
Các bạn có thể tham khảo thêm sản phẩm bằng cách nhấp vào: Balluff Việt Nam
Hãy liên hệ CTI SUPPLY – nhà phân phối Balluff tại Việt Nam để được tư vấn và gửi báo giá nhanh nhất. Đội ngũ CTI SUPPLY rất hân hạnh được hỗ trợ quý khách hàng! Hotline: 0906.494.486 ; Email: [email protected]
Hoặc chat qua Zalo: https://zalo.me/0906.494.486

English
Đánh giá
Chưa có đánh giá nào.