Trong nghành cơ khí chính xác, sự chính xác và độ bền của linh kiện cơ khí quyết định trực tiếp đến hiệu suất của toàn bộ dây chuyền sản xuất. Bạc đạn đũa (hay còn gọi là vòng bi đũa kim) thương hiệu NADELLA từ lâu đã khẳng định vị thế là “người dẫn đầu” về khả năng chịu tải và sự tinh tế trong thiết kế.
Bài viết này sẽ đi sâu vào phân tích hai mã sản phẩm chủ lực: NA2050 và NA3060, đồng thời giới thiệu đơn vị cung cấp uy tín CTI Supply – Đại lý ủy quyền của NADELLA tại Việt Nam.

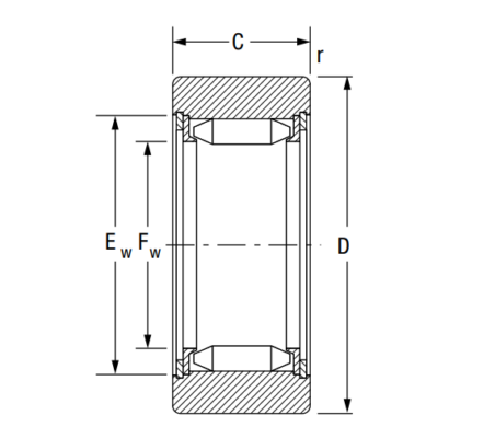
1. Tổng quan về dòng bạc đạn đũa NADELLA.
Bạc đạn đũa của NADELLA được thiết kế với các con lăn hình trụ có đường kính nhỏ nhưng chiều dài lớn so với đường kính. Cấu trúc này cho phép vòng bi chịu được tải trọng hướng tâm rất lớn trong một không gian lắp đặt cực kỳ hạn chế.
Hai mã sản phẩm NA2050 và NA3060 thuộc dòng có vòng trong (inner ring), giúp bảo vệ trục máy khỏi sự mài mòn trực tiếp và cho phép việc lắp đặt trở nên linh hoạt hơn trên các bề mặt trục không được tôi cứng.
Tại sao chọn NADELLA?
-
Độ bền vượt trội: Sử dụng thép chất lượng cao, chịu nhiệt và chống mài mòn.
-
Độ chính xác cao: Đảm bảo sai số cực thấp, phù hợp cho các thiết bị tự động hóa.
-
Sự đa dạng: Phù hợp với nhiều tiêu chuẩn công nghiệp khắt khe.
2. Đặc tính kỹ thuật chi tiết của NA2050 và NA3060.
Dòng sản phẩm NA của NADELLA là loại bạc đạn đũa có vòng trong (inner ring) và vòng cách (cage). Thiết kế này cho phép vòng bi hoạt động độc lập mà không cần phải tôi cứng bề mặt trục truyền động.
2.1. Điểm khác biệt kỹ thuật trọng yếu.
Dù cùng thuộc dòng bạc đạn đũa, nhưng NA2050 và NA3060 được thiết kế cho các mục đích chịu tải khác nhau:
Đối với NADELLA NA2050:

-
Thiết kế tối ưu không gian: Với chiều rộng chỉ 28 {mm}, đây là lựa chọn lý tưởng cho các vị trí lắp đặt hẹp nhưng vẫn yêu cầu khả năng chịu tải hướng tâm ổn định.
-
Tốc độ vận hành: Nhờ trọng lượng nhẹ và đường kính nhỏ hơn, NA2050 cho phép đạt tốc độ quay cao hơn, phù hợp cho các mô-tơ hoặc trục truyền động tốc độ trung bình – cao.
Đối với NADELLA NA3060:

-
Khả năng chịu tải cực đại: Với chiều rộng lên đến 38 {mm}, diện tích tiếp xúc của các con lăn đũa lớn hơn rất nhiều. Điều này giúp mã NA3060 có tải trọng tĩnh lên tới hơn 290 {kN}, cực kỳ bền bỉ trước các lực va đập hoặc tải trọng nặng cố định.
-
Độ cứng vững: Thân bạc đạn dày giúp chống lại sự biến dạng cơ học dưới áp lực lớn, thường dùng trong các hệ thống thủy lực hoặc máy cán thép.
2.2. Cấu tạo vật liệu và tiêu chuẩn sản xuất.
Cả hai mã sản phẩm đều tuân thủ các tiêu chuẩn chất lượng khắt khe của NADELLA toàn cầu:
-
Vòng ngoài & Vòng trong: Chế tạo từ thép hợp kim Chrome cao cấp, được tôi cứng bề mặt để đạt độ cứng 58 – 64 {HRC}, giúp chống mài mòn và mỏi vật liệu.
-
Con lăn đũa (Needle Rollers): Được mài chính xác với sai số micron, đảm bảo sự phân bổ lực đồng đều trên toàn bộ bề mặt tiếp xúc.
-
Vòng cách (Cage): Thường làm bằng thép tấm hoặc nhựa kỹ thuật cao cấp (tùy phiên bản), giúp định vị các con lăn chính xác, giảm ma sát và hỗ trợ lưu thông dầu bôi trơn.
-
Rãnh dầu: Thân vòng ngoài thường có lỗ và rãnh bôi trơn (tùy chọn mã) giúp việc bảo trì định kỳ dễ dàng hơn mà không cần tháo rời hệ thống.
3. Nguyên lý hoạt động của bạc đạn đũa NADELLA.
Nguyên lý cốt lõi của NA2050 và NA3060 dựa trên sự chuyển đổi ma sát trượt thành ma sát lăn thông qua các con lăn hình kim (needle rollers).
-
Phân bổ lực: Nhờ chiều dài con lăn lớn, lực tác động hướng tâm (radial load) được phân bổ đều trên một diện tích bề mặt rộng hơn so với vòng bi cầu.
-
Sự dẫn động: Vòng trong nhận lực từ trục, truyền qua các con lăn đũa đến vòng ngoài. Vòng cách (cage) đảm bảo các con lăn không va chạm vào nhau, duy trì sự ổn định ở tốc độ cao.
-
Bôi trơn: Các khe hở nhỏ giữa các con lăn đóng vai trò là khoang chứa mỡ/dầu bôi trơn, giúp màng dầu luôn duy trì để bảo vệ kim loại.
4. Ứng dụng thực tế trong công nghiệp.
Nhờ những đặc tính cơ học ưu việt, bạc đạn đũa NA2050 và NA3060 được ứng dụng rộng rãi trong:
-
Ngành ô tô: Hệ thống truyền động, hộp số và các bộ phận lái.
-
Máy móc xây dựng: Các khớp nối của cánh tay robot, xe cẩu, máy xúc.
-
Công nghiệp dệt và in ấn: Các trục lăn yêu cầu độ chính xác về vị trí cực cao.
-
Thiết bị y tế: Máy chụp CT, hệ thống nâng hạ giường bệnh cần sự êm ái, không tiếng ồn.
-
Sản xuất bao bì: Hệ thống băng tải và máy đóng gói tự động.
5. Đánh giá ưu điểm và nhược điểm.
Điểm mạnh.
-
Tiết kiệm không gian: Tỷ lệ khả năng chịu tải trên kích thước cực kỳ ấn tượng. Rất phù hợp cho các thiết kế máy hiện đại hướng tới sự gọn nhẹ.
-
Độ cứng vững cao: Do số lượng điểm tiếp xúc nhiều, bạc đạn ít bị biến dạng dưới tải trọng nặng.
-
Tuổi thọ dài: Nếu được bảo trì và bôi trơn đúng cách, bạc đạn NADELLA có thể vận hành hàng chục nghìn giờ.
-
Vận hành êm ái: Giảm thiểu rung động cơ khí đáng kể.
Điểm yếu.
-
Không chịu được tải dọc trục: Bạc đạn đũa thuần túy như NA2050/NA3060 chỉ chịu lực hướng tâm. Nếu có lực đẩy dọc trục (axial load), cần phải lắp kết hợp với vòng bi chặn.
-
Yêu cầu độ đồng tâm cao: Nếu trục bị lệch tâm (misalignment), các con lăn dễ bị áp lực cục bộ dẫn đến nhanh hỏng.
6. CTI Supply-Đại lý Ủy quyền và Dịch vụ Hỗ trợ tại Việt Nam.
Trên thị trường hiện nay có rất nhiều đơn vị cung cấp vòng bi, tuy nhiên để đảm bảo hàng chính hãng NADELLA và nhận được dịch vụ kỹ thuật chuyên sâu, CTI Supply là cái tên hàng đầu tại Việt Nam.
Lợi thế khi hợp tác cùng CTI Supply:
-
Đại lý ủy quyền chính thức: Cam kết 100% hàng nhập khẩu chính hãng từ NADELLA, đầy đủ chứng nhận CO/CQ.
-
Hỗ trợ kỹ thuật chuyên sâu: Đội ngũ kỹ sư của CTI Supply không chỉ bán hàng mà còn tư vấn giải pháp lắp đặt, tính toán tải trọng và lựa chọn mã sản phẩm tối ưu nhất cho thiết kế của bạn.
-
Giá cả cạnh tranh: Nhờ mối quan hệ trực tiếp với nhà sản xuất, chúng tôi mang đến chính sách giá tốt nhất cho cả khách hàng lẻ và dự án OEM.
-
Kho hàng sẵn có: Thời gian giao hàng nhanh chóng cho các mã phổ thông như NA2050 và NA3060, giảm thiểu thời gian dừng máy (downtime) cho doanh nghiệp.
-
Dịch vụ hậu mãi: Bảo hành theo tiêu chuẩn nhà sản xuất và hỗ trợ kiểm tra định kỳ.
7. Thông tin liên hệ.
Các bạn có thể tìm hiểu thêm thông tin về đại lý Nadella
Hãy liên hệ CTI SUPPLY – để được hỗ trợ kỹ thuật và tư vấn nhanh nhất. Đội ngũ CTI SUPPLY rất hân hạnh được hỗ trợ quý khách hàng! Hotline: 0906.494.486 ; Email: [email protected]
Hoặc chat qua Zalo: https://zalo.me/0906.494.486

English

Đánh giá
Chưa có đánh giá nào.