Dòng sản phẩm FG1030SW đến từ thương hiệu NADELLA là những linh kiện tiêu chuẩn được thiết kế để đáp ứng các yêu cầu khắt khe về khả năng chịu tải và độ chính xác trong không gian lắp đặt đa dạng.
Bài viết dưới đây sẽ cung cấp cái nhìn chi tiết về các đặc tính kỹ thuật, cấu tạo và nguyên lý hoạt động của bạc đạn này. Qua đó, giúp các kỹ sư và đơn vị vận hành có cơ sở lựa chọn thiết bị phù hợp nhất cho hệ thống của mình. Hiện nay, các dòng sản phẩm này đang được CTI Supply phân phối chính hãng tại thị trường Việt Nam với đầy đủ các chính sách hỗ trợ kỹ thuật chuyên sâu.

1. Tổng quan về bạc đạn trượt NADELLA.
Bạc đạn trượt NADELLA được thiết kế đặc biệt để chịu tải trọng cao và hoạt động ổn định trên các đường ray dẫn hướng. Khác với các dòng vòng bi thông thường, các mã sản phẩm như FG1030SW có lớp vỏ ngoài dày, được tôi cứng để tiếp xúc trực tiếp với các mặt phẳng hoặc ray cam mà không gây biến dạng hay mài mòn quá mức.
2. Đặc tính kỹ thuật chi tiết của mã FG1030SW.
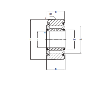
Mã FG1030SW thuộc dòng bạc đạn con lăn (Yoke type track rollers) dạng mỏng, được thiết kế cho các không gian lắp đặt hạn chế nhưng vẫn yêu cầu khả năng chịu tải tối ưu.
2.1. Thông số kỹ thuật sản phẩm:
-
Đường kính trong (d): 10 mm.
-
Đường kính ngoài (D): 30 mm.
-
Chiều rộng vòng ngoài (C): 14 mm.
-
Chiều rộng tổng thể (B): 15 mm.
-
Ký hiệu SW: Thường ám chỉ dòng có thiết kế con lăn đặc biệt hoặc hệ thống phớt chặn tăng cường để chống bụi bẩn xâm nhập.
-
Tải trọng động (Cr): Xấp xỉ 7,000 N – 8,500 N (tùy vào điều kiện vận hành cụ thể).
-
Tải trọng tĩnh (Cor): Lên đến 10,000 N.
-
Tốc độ giới hạn: 8,500 vòng/phút (khi bôi trơn bằng mỡ).
-
Trọng lượng: Khoảng 0.06 kg.
2.2. Đặc điểm cấu tạo.
Sản phẩm sử dụng các con lăn kim (needle rollers) được sắp xếp dày đặc bên trong, giúp phân tán lực đều trên bề mặt tiếp xúc. Vòng ngoài được mài bóng và có độ cứng bề mặt cực cao, giúp giảm ma sát tối đa khi trượt trên ray.
3. Nguyên lý hoạt động.
Nguyên lý hoạt động của FG1030SW dựa trên sự kết hợp giữa chuyển động quay của các con lăn bên trong và chuyển động tịnh tiến (trượt) của vòng ngoài trên bề mặt dẫn hướng.
-
Tiếp xúc bề mặt: Vòng ngoài của bạc đạn đóng vai trò là bánh xe lăn trực tiếp trên ray cam hoặc rãnh dẫn hướng.
-
Giảm ma sát: Các con lăn (kim hoặc trụ) bên trong chuyển đổi ma sát trượt thành ma sát lăn, giúp giảm thiểu lực cản và nhiệt lượng sinh ra.
-
Phân phối tải trọng: Khi có áp lực từ trên xuống, cấu trúc con lăn dày đặc sẽ phân bổ lực này xuống ray, giúp máy móc di chuyển mượt mà ngay cả khi mang tải nặng.
4. Ứng dụng thực tế của sản phẩm.

Nhờ vào độ bền vượt trội, bạc đạn NADELLA được ứng dụng rộng rãi trong nhiều lĩnh vực:
-
Ngành bao đóng gói và thực phẩm: Sử dụng trong các cơ cấu cam của máy đóng chai, máy đóng gói bánh kẹo tự động.
-
Hệ thống kho bãi thông minh (Logistics): Thường xuất hiện trong các cánh tay robot xếp hàng hoặc hệ thống băng tải tải trọng lớn.
-
Máy công cụ và cơ khí chính xác: Dùng làm con lăn dẫn hướng cho các bàn máy CNC, máy cắt Laser hoặc các thiết bị di chuyển tuyến tính.
-
Thiết bị nâng hạ: Ứng dụng trong các thang nâng công nghiệp, vận thăng để đảm bảo độ an toàn và ổn định khi di chuyển theo chiều thẳng đứng.
5. Đánh giá điểm mạnh và điểm yếu.
Điểm mạnh:
-
Chịu tải cực cao: Đặc biệt là dòng FGU, có khả năng xử lý các mức tải trọng mà các dòng bạc đạn thông thường không thể đáp ứng.
-
Tuổi thọ dài: Thép tôi cường lực giúp sản phẩm chống mài mòn tốt, giảm tần suất thay thế linh kiện.
-
Độ chính xác cao: NADELLA kiểm soát sai số kích thước ở mức micromet, đảm bảo sự đồng bộ trong dây chuyền sản xuất.
-
Dễ lắp đặt: Thiết kế dạng Yoke cho phép người dùng lắp đặt nhanh chóng thông qua các trục tiêu chuẩn.
Điểm yếu:
-
Yêu cầu bôi trơn: Để đạt hiệu suất tối đa, sản phẩm cần được bảo trì bôi trơn định kỳ (trừ các dòng có phớt kín chuyên dụng).
-
Chi phí: Giá thành của NADELLA thường cao hơn các thương hiệu phổ thông từ Trung Quốc, nhưng xét về hiệu quả đầu tư lâu dài (ROI), đây lại là lựa chọn tiết kiệm hơn.
6. CTI Supply – Đại lý phân phối NADELLA uy tín tại Việt Nam
CTI Supply tự hào là đại lý chính thức của NADELLA tại thị trường Việt Nam. Chúng tôi cam kết mang đến cho khách hàng những giá trị vượt trội:
-
Sản phẩm chính hãng: Đầy đủ giấy tờ CO/CQ từ nhà sản xuất, đảm bảo các mã FG1030SW luôn đạt chuẩn chất lượng quốc tế.
-
Tư vấn kỹ thuật chuyên sâu: Đội ngũ kỹ sư của CTI Supply hỗ trợ tính toán tải trọng, lựa chọn mã sản phẩm phù hợp nhất với nhu cầu thực tế của nhà máy.
-
Giá cả cạnh tranh: Nhờ mối quan hệ đối tác trực tiếp, chúng tôi cung cấp mức giá tối ưu nhất cho cả khách hàng lẻ và các dự án lớn.
-
Hỗ trợ sau bán hàng: Giao hàng nhanh toàn quốc và hướng dẫn lắp đặt, bảo trì chi tiết.
7. Thông tin mua hàng.
Các bạn có thể tìm hiểu thêm thông tin về đại lý Nadella
Hãy liên hệ CTI SUPPLY – để được hỗ trợ kỹ thuật và tư vấn nhanh nhất. Đội ngũ CTI SUPPLY rất hân hạnh được hỗ trợ quý khách hàng! Hotline: 0906.494.486 ; Email: [email protected]
Hoặc chat qua Zalo: https://zalo.me/0906.494.486

English

Đánh giá
Chưa có đánh giá nào.