Mã sản phẩm NTA28-13H-610 thuộc dòng Telescopic-line của NADELLA được chế tạo để giải quyết bài toán này. Đây là mẫu ray trượt viễn vọng dạng rút một phần (partial extension), sở hữu biên dạng chữ C nhỏ gọn nhưng vẫn đảm bảo độ cứng vững nhờ cấu trúc thép nhiệt luyện.
Bài viết dưới đây sẽ phân tích chi tiết về thông số, nguyên lý và tính ứng dụng của mẫu ray trượt NADELLA này.

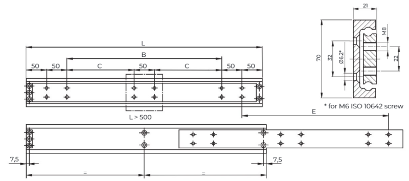
1. Tổng quan về sản phẩm NADELLA NTA28-13H-610.
Mẫu NTA28-13H-610 là sản phẩm tiêu biểu thuộc dòng Telescopic-line (ray trượt viễn vọng) của NADELLA – thương hiệu có lịch sử lâu đời trong việc cung cấp các giải pháp chuyển động tuyến tính tại Châu Âu. Đây là loại ray trượt được thiết kế theo cơ chế rút một phần (partial extension), phù hợp cho các cấu trúc yêu cầu sự cân bằng giữa khả năng chịu tải và tính tinh gọn về không gian.
2. Đặc tính kỹ thuật chi tiết.
Việc đánh giá và tích hợp một hệ thống truyền động cần dựa trên các số liệu vật lý chính xác. Mẫu NTA28-13H-610 sở hữu các thông số kỹ thuật cốt lõi sau:
-
Kích thước hình học: Hệ thống có tiết diện vô cùng nhỏ gọn với Chiều rộng (Width) chỉ 13mm và Chiều cao (Height) 28mm. Chiều dài cơ sở (Length) là 610mm. Tổng khối lượng sản phẩm xấp xỉ 1.3 kg, rất phù hợp cho các cụm chi tiết máy cần hạn chế tải trọng bản thân (dead load).
-
Vật liệu và xử lý bề mặt: Toàn bộ thanh ray và thanh trượt được chế tạo từ thép tiêu chuẩn công nghiệp (hardened steel). Các rãnh lăn tiếp xúc trực tiếp với bi được tôi cứng (hardened) nhằm tăng cường độ chống mài mòn, chống lại ứng suất tiếp xúc. Bề mặt ngoài được phủ lớp bảo vệ chống ăn mòn (corrosion-resistant coating), đảm bảo duy trì cấu trúc vật lý trong môi trường nhà xưởng công nghiệp.
-
Khả năng mở rộng (Extension): Cơ cấu cho phép phần lõi trượt mở rộng một khoảng cách xấp xỉ 50-70% chiều dài tổng (tương đương biên độ dịch chuyển khoảng 305mm – 427mm tùy vị trí chặn).
-
Tùy chọn hành trình kép (Double Stroke – Option VR): Theo tài liệu kỹ thuật từ nhà sản xuất, các kỹ sư thiết kế có thể cấu hình lại mẫu ray trượt NADELLA này thành hành trình kép (thanh trượt có thể dịch chuyển ra cả hai hướng trái/phải). Việc này thực hiện bằng cách tháo các ốc vít chặn ở mép ray, hoặc đặt hàng trực tiếp phiên bản tích hợp sẵn hậu tố VR.
-
Tải trọng động lực học: Nhờ cấu trúc vật liệu tôi cứng, hệ thống chịu được thông số tải trọng động (Dynamic Load – Cdyn) và tải trọng tĩnh (Cy, Cz) lớn dọc theo trục trượt, đồng thời triệt tiêu hiệu quả các mô-men xoắn (Mx, My, Mz) sinh ra trong quá trình vận hành lệch tâm.
3. Nguyên lý hoạt động.

Hệ thống NTA28-13H-610 hoạt động dựa trên cơ chế lăn của các viên bi thép được căn chỉnh cố định trong một khung dẫn hướng (ball cage) nằm xen kẽ giữa thanh ray cố định bên ngoài (rail) và thanh trượt tịnh tiến bên trong (slider).
Khi có lực cơ học truyền động (từ động cơ, xi-lanh khí nén hoặc kéo thủ công) tác động dọc theo trục X, phần thanh trượt bên trong sẽ di chuyển dọc theo hệ thống rãnh chữ C. Tại đây, các viên bi thép làm nhiệm vụ chuyển hóa ma sát trượt thành ma sát lăn, giúp triệt tiêu hiện tượng dính-trượt (stick-slip), giảm đáng kể hao phí động năng và nhiệt lượng tỏa ra.
Hành trình của thanh trượt được kiểm soát nghiêm ngặt bởi các chốt chặn cơ khí ở hai đầu thanh ray. Các chốt chặn này ngăn cụm slider vượt quá giới hạn 50-70% chiều dài, từ đó đảm bảo toàn bộ hệ thống luôn giữ được trọng tâm an toàn, chịu tải đúng thiết kế và tránh lật chệch hướng dưới tác động của mô-men xoắn dọc trục.
4. Điểm mạnh và điểm yếu của sản phẩm.
Điểm mạnh:
-
Tỉ lệ chịu tải trên kích thước tối ưu: Kích thước tiết diện chỉ 28x13mm nhưng sở hữu độ cứng vững cơ học cao, chịu được tải trọng uốn và xoắn tốt nhờ vật liệu thép tôi và kết cấu C-profile nguyên khối.
-
Vận hành êm ái, độ chính xác lặp lại cao: Gia công cơ khí chính xác tại các rãnh lăn kết hợp với chất bôi trơn chuyên dụng giúp ray hoạt động trơn tru, hạn chế rung động và tiếng ồn ngay cả khi khởi động ở mức tải nặng.
-
Tính linh hoạt cao trong thiết kế: Tính năng chuyển đổi cơ cấu chặn để đạt hành trình kéo hai chiều (double stroke) mang lại lợi thế lớn cho các kỹ sư khi thiết kế các module tự động hóa phức tạp.
Điểm yếu:
-
Hạn chế chiều dài hành trình: Là dòng rút một phần (partial extension), hệ thống này không đáp ứng được các ứng dụng đòi hỏi cụm trượt phải đi hết 100% hoặc vượt quá chiều dài thanh ray cơ sở (full/over extension).
-
Bảo vệ khỏi bụi bẩn: Biên dạng chữ C hở tĩnh có thể tích tụ mạt kim loại, bụi phay CNC hoặc bụi bẩn công nghiệp nếu không được bảo dưỡng định kỳ hoặc không có cụm hộp che chắn bổ sung, từ đó làm giảm tuổi thọ của hệ thống bi bên trong.
5. Ứng dụng.
Với sự cân bằng tuyệt vời giữa tải trọng, thiết kế thu gọn và độ tĩnh tuyến tính, model NTA28-13H-610 được ứng dụng phổ biến trong các module cơ khí:
-
Robotics & Tự động hóa: Làm ray dẫn hướng cho tay máy (Pick & Place), module cấp phôi tự động, trạm hàn robot.
-
Máy gia công cơ khí (Machine Tools): Ứng dụng trong việc đóng/mở cửa lùa an toàn bảo vệ buồng máy, cơ cấu kéo ngăn chứa cụm dao cắt.
-
Ngành Logistics & Đóng gói: Cơ cấu trượt cho hệ thống phân loại sản phẩm, tay gạt băng tải, càng đẩy hàng hóa tự động.
-
Lưu trữ công nghiệp: Ngăn kéo chịu tải nặng dùng để lưu trữ khuôn đúc, linh kiện động cơ yêu cầu thao tác kéo ra/đẩy vào thường xuyên và an toàn.
6. CTI Supply – Đại lý phân phối Ray trượt NADELLA tại Việt Nam.
Để hệ thống tự động hóa hoạt động với hiệu suất tối đa, việc lựa chọn nhà cung cấp vật tư cơ khí uy tín, am hiểu kỹ thuật là điều kiện tiên quyết. Công ty CTI Supply tự hào là đại lý phân phối và đối tác tư vấn kỹ thuật chính thức của NADELLA tại thị trường Việt Nam.
Với kinh nghiệm chuyên môn trong ngành tự động hóa, CTI Supply cam kết cung cấp hệ thống ray trượt NADELLA nói chung và mã NTA28-13H-610 nói riêng với các giá trị cốt lõi:
-
Tư vấn kỹ thuật chuyên sâu: Đội ngũ kỹ sư tại CTI Supply trực tiếp hỗ trợ nhà máy tính toán động lực học, ước tính tuổi thọ danh định (lifetime calculation), và chọn mã sản phẩm tối ưu nhất cho bản vẽ thiết kế máy.
-
Đảm bảo chính hãng: Cung cấp đầy đủ giấy chứng nhận nguồn gốc xuất xứ (CO) và chứng nhận chất lượng (CQ) từ NADELLA.
-
Chính sách giá cạnh tranh: Mạng lưới chuỗi cung ứng trực tiếp với hãng sản xuất giúp CTI Supply đưa ra mức giá tốt nhất, tối ưu ngân sách cho các đơn vị chế tạo máy (OEM) và nhà máy đầu cuối.
-
Hỗ trợ hậu mãi toàn diện: Dịch vụ hỗ trợ kỹ thuật tận nhà máy, tư vấn lắp đặt và hướng dẫn bôi trơn, bảo dưỡng định kỳ theo tiêu chuẩn châu Âu
7. Thông tin mua hàng.
Các bạn có thể tìm hiểu thêm thông tin về đại lý Nadella
Hãy liên hệ CTI SUPPLY – để được hỗ trợ kỹ thuật và tư vấn nhanh nhất. Đội ngũ CTI SUPPLY rất hân hạnh được hỗ trợ quý khách hàng! Hotline: 0906.494.486 ; Email: [email protected]
Hoặc chat qua Zalo: https://zalo.me/0906.494.486

English

Đánh giá
Chưa có đánh giá nào.