Việc giảm thiểu thời gian thiết lập (set-up time) giữa các lần gia công là yếu tố then chốt để tăng cường hiệu quả sản xuất và duy trì lợi thế cạnh tranh. Zero Point System của SCHUNK đã trở thành giải pháp tiêu chuẩn toàn cầu cho việc thay đổi phôi và thiết bị kẹp một cách nhanh chóng, chính xác và tự động.
Sản phẩm nổi bật trong dòng này là SCHUNK GFD mini 130-27-1 52/96 với mã đặt hàng 1599849. Đây là một ví dụ điển hình về sự kết hợp hoàn hảo giữa độ chính xác, lực kẹp mạnh mẽ và thiết kế nhỏ gọn, đáp ứng nhu cầu khắt khe của các trung tâm gia công CNC hiện đại.

1. Ứng Dụng Đa Dạng của Zero Point System
Sản phẩm Zero Point System của SCHUNK không chỉ là một cơ cấu kẹp; nó là nền tảng cho tự động hóa và sản xuất linh hoạt (lean manufacturing).
1.1. Gia Công CNC.
Ứng dụng phổ biến nhất là trên các máy phay, tiện, mài CNC. Zero Point System cho phép chuyển đổi từ kẹp phôi này sang kẹp phôi khác chỉ trong vài giây, thay vì hàng giờ như phương pháp kẹp truyền thống. Điều này đặc biệt quan trọng trong sản xuất loạt nhỏ (small batch production) hoặc gia công các chi tiết phức tạp đòi hỏi nhiều giai đoạn.
1.2. Thay Đổi Nhanh Thiết Bị Kẹp.
Nó được dùng để kẹp các thiết bị khác như:
- Các loại vice (êtô) và jig (đồ gá) khác nhau.
- Mâm cặp (chuck) hoặc đĩa kẹp (pallet).
- Modul gắp/thay đổi dụng cụ trên robot.
1.3. Tự Động Hóa và Công Nghiệp 4.0.
GFD mini 130-27-1 52/96 được thiết kế để tích hợp dễ dàng vào các giải pháp tự động hóa bằng robot, cho phép robot tự động thay đổi pallet chứa phôi. Điều này mở ra khả năng sản xuất không người vận hành (lights-out manufacturing), một mục tiêu quan trọng trong Công nghiệp 4.0.
2. Đặc Tính Kỹ Thuật.
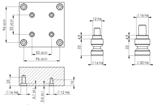
Mã sản phẩm 1599849 đại diện cho modun kẹp SCHUNK GFD mini 130-27-1 52/96, một bộ phận cốt lõi trong chuỗi giải pháp Zero Point System của hãng. Các thông số kỹ thuật dưới đây làm nổi bật khả năng hoạt động chính xác và đáng tin cậy của thiết bị này:
2.1. Kích Thước và Thiết Kế.
Đúng như tên gọi “GFD mini“, modun này được thiết kế theo hướng nhỏ gọn, với đường kính cơ bản của thân modun gần 130 mm. Thiết kế này lý tưởng cho các ứng dụng có không gian làm việc hạn chế trên các trung tâm gia công CNC nhỏ và trung bình, hoặc khi cần lắp đặt nhiều modun kẹp trên một đế gá.
Thiết kế của GFD mini 130-27-1 52/96 đặc biệt chú trọng đến sự bền bỉ trong môi trường gia công khắc nghiệt. Toàn bộ modun được bảo vệ nghiêm ngặt chống lại sự xâm nhập của chip phôi, bụi bẩn và nước làm mát, đạt tiêu chuẩn bảo vệ cao để đảm bảo tuổi thọ lâu dài và hoạt động không cần bảo trì thường xuyên.
2.2. Độ Chính Xác Lặp Lại (Repeatability) Vượt Trội.
Đây là đặc tính quan trọng nhất của bất kỳ Zero Point System nào. Modun này đảm bảo khả năng lặp lại vị trí tuyệt đối (repeatability) thường nhỏ hơn 0.005 mm. Mức độ chính xác micron này là điều kiện tiên quyết cho việc chuyển đổi phôi và đồ gá mà không cần phải thực hiện bất kỳ phép đo bù trừ (re-measurement) nào, giúp giữ vững vị trí của hệ thống và tiết kiệm đáng kể thời gian thiết lập.
2.3. Cơ Chế Kẹp và Lực Giữ.
Modun 1599849 thuộc dòng sử dụng cơ chế kẹp cơ khí tự khóa kết hợp với mở bằng áp suất. Lực giữ (Holding Force) mạnh mẽ được tạo ra thông qua hệ thống lò xo tích hợp, đảm bảo rằng phôi được giữ cố định một cách an toàn tuyệt đối dưới mọi tác động của lực cắt trong quá trình gia công nặng.
Việc kẹp được hoàn thành bằng lực cơ khí (lò xo), và chỉ cần cung cấp áp suất khí nén hoặc thủy lực để mở khóa, điều này giúp tối ưu hóa an toàn: phôi vẫn được kẹp chặt ngay cả khi hệ thống mất áp suất đột ngột. Cấu hình 130-27-1 52/96 chỉ ra khả năng chịu tải trọng và mô-men xoắn cao, phù hợp với yêu cầu gia công tốc độ cao hiện nay.
2.4. Tích Hợp Hệ Thống.
SCHUNK GFD mini 130-27-1 52/96 được thiết kế để dễ dàng tích hợp. Nó thường bao gồm các kênh khí nén tích hợp để kiểm soát chức năng kẹp/mở và có thể có các kênh thổi khí làm sạch (air-blast function) tự động, giúp loại bỏ chip khỏi bề mặt tiếp xúc ngay trước khi kẹp. Điều này đảm bảo rằng chốt kẹp và modun luôn tiếp xúc hoàn hảo, từ đó duy trì độ lặp lại vị trí đã cam kết.
Những đặc tính kỹ thuật này đã biến modun Zero Point System GFD mini 130-27-1 52/96 (Mã: 1599849) trở thành một giải pháp đáng tin cậy để nâng cao hiệu suất và chất lượng gia công trong mọi nhà máy.
3. Nguyên Lý Hoạt Động.

Nguyên lý hoạt động của SCHUNK Zero Point System dựa trên cơ chế kẹp cơ khí tự khóa (self-locking mechanical clamping) và mở bằng năng lượng bên ngoài (khí nén hoặc thủy lực).
3.1. Nguyên Lý Kẹp (Clamping).
Khi pallet (hoặc chốt kẹp) được đặt vào modun kẹp (1599849), các viên bi hoặc chốt kẹp bên trong modun sẽ được khóa lại bằng lực cơ khí thông qua lò xo hoặc cơ cấu nêm. Điều quan trọng là: lực giữ được tạo ra hoàn toàn bằng cơ khí (lò xo). Điều này đảm bảo rằng ngay cả khi nguồn cung cấp khí nén hoặc thủy lực bị ngắt, phôi vẫn được kẹp chặt an toàn – một tính năng an toàn vượt trội.
3.2. Nguyên Lý Mở (Unclamping).
Để mở kẹp, áp suất khí nén (thường là 6 bar) hoặc áp suất thủy lực được đưa vào modun. Áp suất này sẽ thắng lực lò xo, đẩy các viên bi/chốt ra khỏi vị trí khóa, giải phóng pallet/chốt kẹp.
3.3. Thiết lập vị trí cố định.
Zero Point được thiết lập bằng cách cố định chính xác vị trí tâm của modun kẹp. Mỗi khi thay đổi pallet, hệ thống luôn đảm bảo rằng vị trí của phôi được lặp lại với độ chính xác micron, loại bỏ hoàn toàn nhu cầu phải đo đạc lại phôi sau mỗi lần gá lắp.
4. Công Dụng, Điểm Mạnh và Điểm Yếu.
4.1. Công Dụng Chính.
- Rút ngắn thời gian thiết lập (set-up time) từ giờ xuống còn giây.
- Tăng hiệu suất máy (Machine utilization) lên đến 95%.
- Nâng cao độ chính xác gia công do khả năng lặp lại vị trí tuyệt vời.
- Cho phép sản xuất linh hoạt (Flexible manufacturing) và tự động hóa cao.
4.2. Điểm Mạnh.
- Độ Lặp Lại Vô Song: Độ chính xác lặp lại vị trí (repeatability) thường dưới 0.005 mm, đảm bảo chất lượng gia công ổn định.
- An Toàn Tuyệt Đối: Cơ chế tự khóa cơ khí (Self-locking) nhờ lò xo. Phôi vẫn được giữ chặt ngay cả khi mất áp suất.
- Thiết Kế Chống Bẩn: Modun GFD mini 130-27-1 52/96 có các gioăng phớt (seal) và khe thổi khí tích hợp để loại bỏ chip và chất lỏng làm mát, tăng tuổi thọ và độ tin cậy.
- Lực Giữ Cao: Cấu trúc 130-27-1 52/96 cung cấp lực kẹp đủ mạnh cho các hoạt động gia công tốc độ cao và cắt sâu.
4.3. Điểm Yếu.
- Chi Phí Đầu Tư Ban Đầu: Chi phí cho một hệ thống Zero Point System hoàn chỉnh (gồm modun kẹp và chốt kẹp) cao hơn đáng kể so với các phương pháp kẹp truyền thống.
- Yêu Cầu Vệ Sinh: Mặc dù được thiết kế chống bẩn, việc tích tụ chip quá nhiều xung quanh chốt kẹp có thể ảnh hưởng đến khả năng lặp lại nếu không được bảo trì định kỳ.
Tuy nhiên, với việc Zero Point System giúp tăng năng suất và giảm lãng phí thời gian chết, khoản đầu tư ban đầu này thường được thu hồi rất nhanh (ROI).
5. Hỗ Trợ Kỹ Thuật Tại Việt Nam: CTI Supply
Để triển khai thành công SCHUNK Zero Point System như modun GFD mini 130-27-1 52/96 (Mã 1599849) vào dây chuyền sản xuất của bạn, việc có một đối tác cung cấp và hỗ trợ kỹ thuật đáng tin cậy là vô cùng quan trọng.
CTI Supply tự hào là đại lý chính thức của SCHUNK tại Việt Nam, cam kết mang đến cho khách hàng các giải pháp kẹp và công nghệ tự động hóa tốt nhất.
6. Dịch Vụ Của CTI Supply:
- Tư Vấn Chuyên Sâu: Đội ngũ kỹ sư giàu kinh nghiệm hỗ trợ lựa chọn đúng loại Zero Point System phù hợp với máy móc và ứng dụng cụ thể của bạn (từ dòng mini như 130-27-1 52/96 đến các dòng lớn hơn).
- Giá Cả Cạnh Tranh: Cung cấp sản phẩm chính hãng SCHUNK (như mã 1599849) với giá cả cạnh tranh và minh bạch nhất thị trường.
- Hỗ Trợ Kỹ Thuật Sau Bán Hàng: Đảm bảo quá trình lắp đặt, tích hợp hệ thống vào máy CNC và bảo trì diễn ra suôn sẻ và hiệu quả.
Hãy liên hệ với chúng tôi ngay hôm nay để nhận báo giá chi tiết và tư vấn kỹ thuật miễn phí cho giải pháp tăng tốc độ sản xuất của bạn.
7. Thông Tin Liên Hệ CTI Supply.
- Công ty TNHH CTI Supply
- Địa chỉ: 52 Huỳnh Thiện Lộc, Phường Tân Phú, Thành phố Hồ Chí Minh..
- Hotline: (+84) 906 494 486
- Hoặc chat qua Zalo: https://zalo.me/0906.494.486
- Email: sales@ctisupply.vn
- Website: https://ctisupply.vn/
Bạn có thể tìm hiểu thêm về các sản phẩm của SCHUNK . Nếu bạn cần thêm thông tin chi tiết hoặc tư vấn về sản phẩm phù hợp, hãy liên hệ với CTI Supply ngay hôm nay để trải nghiệm sự khác biệt và dịch vụ chuyên nghiệp từ đội ngũ của chúng tôi!

English

Đánh giá
Chưa có đánh giá nào.