Bạc đạn là linh kiện cơ khí cơ bản đảm bảo độ chính xác cho các hệ thống chuyển động. Đối với các cụm chi tiết máy yêu cầu khả năng chịu tải trọng hướng tâm lớn, độ cứng vững cao và không gian lắp đặt hạn chế, dòng con lăn dẫn hướng (cam follower) của NADELLA là một trong những chuẩn mực công nghiệp.
Bài viết này sẽ phân tích chi tiết về bạc đạn NADELLA GC47-SW, cung cấp cái nhìn khách quan về thông số kỹ thuật, nguyên lý hoạt động, ứng dụng và các ưu nhược điểm cơ lý. Công ty CTI Supply hiện là đại lý phân phối chính hãng NADELLA tại Việt Nam, cung cấp sản phẩm cùng dịch vụ tư vấn kỹ thuật chuyên nghiệp.

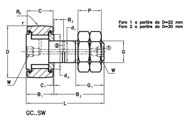
1. Tổng quan về sản phẩm Bạc đạn NADELLA GC47-SW.
Bạc đạn NADELLA mã GC47-SW thuộc phân loại con lăn dẫn hướng có trục (cam follower with stud). Chức năng cơ bản của linh kiện này là dẫn hướng chuyển động tuyến tính hoặc chuyển động quay theo biên dạng cam có sẵn trong các cơ cấu cơ khí.
Ký hiệu “SW” trong mã GC47-SW là chỉ dấu cho những nâng cấp kỹ thuật từ hãng NADELLA. Ở phiên bản này, trục thiết bị được thiết kế mở rộng với lỗ lục giác (hexagonal socket) ở cả hai đầu trục. Đặc tính này giúp rút ngắn thời gian thao tác, cho phép kỹ sư bảo trì sử dụng cờ lê lục giác để cố định hoặc tháo lắp thiết bị từ mọi hướng tiếp cận một cách thuận tiện.
Đồng thời, vòng ngoài (outer ring) của dòng SW có biên dạng được tối ưu hóa đặc biệt nhằm giảm thiểu ứng suất mép. Cấu trúc bên trong của thiết bị là dạng con lăn kim xếp đầy (full complement needle rollers), loại bỏ vòng cách (cage) để tối đa hóa số lượng con lăn, từ đó gia tăng trực tiếp khả năng chịu tải tĩnh và động.
2. Đặc tính kỹ thuật và Thông số chi tiết.
Tính toàn vẹn cấu trúc của bạc đạn GC47-SW phụ thuộc vào thiết kế vòng ngoài cực dày, cho phép hấp thụ tải trọng va đập mà không bị biến dạng hình học khi tiếp xúc lăn trực tiếp trên đường ray hoặc bề mặt cam.
2.1. Thông số kích thước cơ bản.
-
Đường kính vòng ngoài (D): 47 mm
-
Đường kính trục cốt (d): 20 mm
-
Chiều rộng bề mặt vòng ngoài (C): 24 mm
-
Kích thước ren trục: M20 x 1.5
2.2. Đặc điểm vật liệu và chế tạo.
-
Cơ cấu kim xếp đầy (Full complement): Do các con lăn tiếp xúc trực tiếp và không bị giới hạn bởi không gian của lồng giữ bi, thiết bị cung cấp chỉ số tải trọng động (Dynamic Load) và tải trọng tĩnh (Static Load) cao hơn đáng kể so với các thiết kế thông thường có cùng chuẩn kích thước.
-
Dung sai khắt khe: Dòng GC47-SW tuân thủ tiêu chuẩn gia công chính xác, với dung sai đường kính ngoài ở mức h6 (kiểm soát sai số nghiêm ngặt hơn tiêu chuẩn ISO h9). Bề mặt vòng ngoài có thiết kế cong nhẹ (crowned profile) để bù trừ những sai lệch góc nhỏ phát sinh khi lắp ráp, tránh hiện tượng tập trung ứng suất tại hai gờ tiếp xúc.
-
Xử lý bề mặt: Hệ thống trục và vòng bi được xử lý nhiệt sâu, đạt độ cứng tiêu chuẩn từ 58 đến 64 HRC, đảm bảo khả năng chống mỏi kim loại và mài mòn trong điều kiện ma sát liên tục.
3. Nguyên lý hoạt động.

Nguyên lý vận hành của GC47-SW dựa trên cơ chế ma sát lăn cơ bản. Khi vòng ngoài tiếp xúc với mặt phẳng hoặc thanh trượt dẫn hướng, nó chuyển động quay quanh trục được cố định cố định vào bệ máy.
Lực hướng tâm từ cơ cấu tác dụng lên vòng ngoài sẽ được truyền qua hàng loạt các con lăn kim xếp khít nhau, sau đó phân tán vào trục cốt. Nhờ số lượng kim lớn, diện tích tiếp xúc chịu tải được mở rộng tối đa, giúp triệt tiêu áp lực cục bộ lên từng con lăn đơn lẻ. Cần lưu ý, thiết kế của cam follower chỉ được tối ưu hóa chuyên biệt cho tải trọng hướng tâm (radial load) và hoàn toàn không phù hợp để chịu các lực dọc trục (axial load).
4. Điểm mạnh và Điểm yếu trong vận hành
Việc đánh giá khách quan giới hạn cơ lý của thiết bị sẽ giúp kỹ sư đưa ra quyết định chính xác hơn cho bản vẽ thiết kế máy.
4.1. Điểm mạnh.
-
Tải trọng cực cao: So với cấu trúc có vòng cách, GC47-SW vượt trội về độ cứng vững chịu lực, đặc biệt phù hợp với các điều kiện có tải trọng tĩnh cao hoặc lực dập ép, va đập liên tục.
-
Ngăn ngừa biến dạng: Vành ngoài có độ dày lớn chống lại sự nứt vỡ dưới ứng suất vận hành.
-
Lắp đặt, bảo dưỡng chuẩn hóa: Lỗ lục giác 2 đầu cùng hệ thống đường dẫn mỡ bôi trơn được gia công chìm ngay trong trục giúp quy trình bảo trì máy diễn ra nhanh chóng, đúng kỹ thuật.
4.2. Điểm yếu.
-
Giới hạn vận tốc: Sự cọ xát trực tiếp giữa các con lăn trong kết cấu kim xếp đầy tạo ra hệ số ma sát nội tại lớn hơn, làm tăng sinh nhiệt năng. Do đó, thiết bị này không đáp ứng được các bài toán truyền động yêu cầu vận tốc quay quá cao.
-
Yêu cầu dung sai lắp ráp: Mặc dù đã có biên dạng cong bù sai số, nhưng nếu hệ thống ray dẫn hướng bị lệch trục quá mức cho phép, tuổi thọ của bạc đạn sẽ suy giảm nhanh chóng do phân bổ lực không đều.
5. Ứng dụng.

Sự kết hợp giữa kết cấu cứng vững và thiết kế nhỏ gọn đưa bạc đạn GC47-SW trở thành chi tiết truyền động thiết yếu trong các ngành:
-
Công nghiệp gia công kim loại: Dẫn hướng cửa an toàn máy CNC, cơ cấu bàn máy gia công, băng tải chuyển phôi nặng.
-
Dây chuyền tự động hóa: Làm bánh xe dẫn hướng cho tay máy tự động, thanh trượt định vị, cơ cấu kẹp nhả.
-
Hệ thống đóng gói, chiết rót: Ứng dụng trên trục cam đẩy của máy chiết rót, máy dập nắp, máy phân mâm quay tự động.
-
Thiết bị nâng hạ công nghiệp: Dẫn hướng cho xe tự hành (AGV), cần trục nâng, cơ cấu thang hàng.
6. CTI Supply – Đại lý chính thức của NADELLA tại Việt Nam.
Để đảm bảo hiệu suất thiết kế đúng như thông số danh định, việc trang bị linh kiện chính hãng từ nhà sản xuất là yêu cầu kiên quyết. Tại thị trường Việt Nam, Công ty TNHH CTI Supply là đơn vị đại lý phân phối chính thức các giải pháp truyền động từ NADELLA, bao gồm đa dạng các dòng cam follower, con lăn và hệ ray dẫn hướng.
CTI Supply hướng tới việc cung cấp hệ sinh thái vật tư cơ khí tối ưu nhất:
-
Hỗ trợ kỹ thuật trực tiếp: Đội ngũ kỹ sư tại CTI Supply trực tiếp tham gia tư vấn lựa chọn mã GC47-SW hoặc các biến thể khác dựa trên tính toán thực tế về tải trọng hướng tâm, momen uốn và vận tốc thiết kế của từng hệ thống máy móc.
-
Giá cả cạnh tranh: Áp dụng chính sách giá đại lý trực tiếp từ NADELLA toàn cầu, giảm thiểu chi phí thương mại cho các đơn vị chế tạo máy (OEM) và nhà máy bảo dưỡng (MRO).
-
Đảm bảo chất lượng xuất xứ: Toàn bộ sản phẩm bạc đạn NADELLA do CTI Supply phân phối cam kết mới 100%, đi kèm đầy đủ chứng từ xuất xứ, chất lượng (CO, CQ), đảm bảo tính pháp lý và minh bạch dự án.
7. Thông tin mua hàng.
Các bạn có thể tìm hiểu thêm thông tin về đại lý Nadella
Hãy liên hệ CTI SUPPLY – để được hỗ trợ kỹ thuật và tư vấn nhanh nhất. Đội ngũ CTI SUPPLY rất hân hạnh được hỗ trợ quý khách hàng! Hotline: 0906.494.486 ; Email: [email protected]
Hoặc chat qua Zalo: https://zalo.me/0906.494.486

English

Đánh giá
Chưa có đánh giá nào.