Rollon ULV43-0720-Z là một trong những sản phẩm thuộc dòng ray dẫn hướng tuyến tính (linear rail) của thương hiệu Rollon – nhà sản xuất nổi tiếng toàn cầu về các giải pháp chuyển động tuyến tính và hệ thống ray trượt công nghiệp. Khác với các dòng ray telescopic vốn được thiết kế để mở rộng hành trình vượt quá chiều dài đóng, ULV43-0720-Z tập trung vào việc cung cấp chuyển động tuyến tính chính xác, ổn định và bền bỉ trong phạm vi ray.
Sản phẩm này được chế tạo từ thép cường lực, có khả năng chống mài mòn cao, đồng thời được xử lý bề mặt để tăng độ bền trong môi trường khắc nghiệt. Với thiết kế nhỏ gọn nhưng chắc chắn, ULV43-0720-Z phù hợp cho nhiều ứng dụng công nghiệp, từ máy móc cơ khí, dây chuyền sản xuất tự động cho đến robot công nghiệp.
Điểm mạnh của dòng ULV là sự kết hợp giữa khả năng chịu tải tốt, độ chính xác cao và tuổi thọ dài, giúp doanh nghiệp tối ưu hiệu suất vận hành, giảm chi phí bảo trì và nâng cao độ tin cậy của hệ thống.

1. Thông số kỹ thuật
Ray dẫn hướng tuyến tính Rollon ULV43-0720-Z sở hữu những thông số kỹ thuật nổi bật:
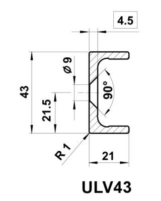
- Chiều dài ray: 720 mm
- Chiều rộng ray: 43 mm
- Cấu tạo: ray thép cường lực + con trượt bi thép cứng, rãnh tôi cứng chống mài mòn.
- Khả năng chịu tải: 800 – 1.200 kg/cặp (tùy điều kiện lắp đặt và hướng tải).
- Độ chính xác: cao, đảm bảo chuyển động tuyến tính mượt mà và ổn định.
- Tiêu chuẩn: EN ISO 13849-1, IEC 61508, SIL3, PLe – đáp ứng yêu cầu khắt khe về an toàn quốc tế.
- Nhiệt độ làm việc: -25°C đến +55°C, phù hợp cho nhiều môi trường sản xuất.
- Tuổi thọ cơ học: > 10 triệu lần chuyển động, giảm thiểu chi phí bảo trì.
- Tùy chọn: bề mặt mạ kẽm hoặc phủ chống ăn mòn, con trượt với nhiều kích thước khác nhau.
Nhờ những thông số này, Rollon ULV43-0720-Z trở thành lựa chọn lý tưởng cho các hệ thống cần độ tin cậy lâu dài và khả năng chịu tải cao trong chuyển động tuyến tính.

2. Ứng dụng thực tế
Ray dẫn hướng Rollon ULV43-0720-Z được ứng dụng rộng rãi trong nhiều ngành công nghiệp:
- Máy móc công nghiệp: sử dụng trong hệ thống dẫn hướng, bàn trượt, khay chứa, cửa an toàn.
- Ngành cơ khí – chế tạo: hỗ trợ chuyển động tuyến tính trong máy CNC, máy ép, máy cắt, giúp tăng độ chính xác và hiệu quả sản xuất.
- Ngành ô tô: tích hợp trong dây chuyền sản xuất, hệ thống kiểm tra và bảo dưỡng, đảm bảo hoạt động ổn định và an toàn.
- Robot công nghiệp: đảm bảo chuyển động mượt mà, chịu tải lớn trong các khớp trượt, nâng cao hiệu suất vận hành.
- Ngành thực phẩm & dược phẩm: đáp ứng yêu cầu an toàn, độ chính xác và vệ sinh nghiêm ngặt, phù hợp cho môi trường sản xuất sạch.
- Ngành logistics và kho vận: hỗ trợ hệ thống lưu trữ, khay trượt, thiết bị nâng hạ, giúp tối ưu không gian và tăng hiệu quả quản lý hàng hóa.
- Ngành điện tử: dùng trong dây chuyền lắp ráp linh kiện, nơi cần độ chính xác cao và chuyển động ổn định.
Sản phẩm đặc biệt phù hợp cho các doanh nghiệp cần giải pháp bền bỉ, ổn định và có khả năng hoạt động liên tục trong môi trường khắc nghiệt.
3.1 Điểm mạnh
- Khả năng chịu tải tốt: lên tới hơn 1.200 kg/cặp, phù hợp cho các ứng dụng công nghiệp nặng.
- Thiết kế nhỏ gọn, cứng vững: dễ dàng lắp đặt trong không gian hạn chế, tối ưu diện tích sử dụng.
- Độ chính xác cao: đảm bảo chuyển động tuyến tính mượt mà, giảm rung lắc và tăng hiệu quả sản xuất.
- Tuổi thọ dài: rãnh bi tôi cứng, tuổi thọ cơ học > 10 triệu lần, giảm chi phí bảo trì.
- Tùy biến linh hoạt: có thể đặt hành trình đặc biệt, bề mặt chống ăn mòn, đáp ứng nhu cầu đa dạng của khách hàng.
- Đáp ứng tiêu chuẩn quốc tế: giúp doanh nghiệp yên tâm khi tích hợp vào dây chuyền sản xuất, đồng thời nâng cao uy tín sản phẩm.
- Khả năng hoạt động trong môi trường khắc nghiệt: nhiệt độ từ -25°C đến +55°C, phù hợp cho nhiều ngành nghề.
3.2 Điểm yếu
- Chi phí đầu tư ban đầu cao hơn so với ray trượt thông thường, do thiết kế chuyên dụng và khả năng chịu tải lớn.
- Không có khả năng mở rộng hành trình như telescopic rail, chỉ phù hợp cho chuyển động tuyến tính trong phạm vi ray.
- Yêu cầu lắp đặt chuẩn xác: nếu không đúng kỹ thuật sẽ ảnh hưởng đến tải trọng và độ bền của sản phẩm.
- Trọng lượng sản phẩm lớn: gây khó khăn trong vận chuyển và lắp đặt thủ công, cần có thiết bị hỗ trợ.
- Giới hạn ứng dụng: không phù hợp cho các hệ thống nhỏ hoặc yêu cầu tải trọng thấp, vì chi phí và kích thước có thể vượt nhu cầu thực tế.
4. CTI Supply: Đại lý chính thức của ROLLON tại Việt Nam.
Tại Việt Nam, CTI Supply tự hào là đại lý phân phối chính thức của thương hiệu ROLLON. Chúng tôi không chỉ cung cấp các sản phẩm chất lượng cao như thanh trượt ống lồng ULV43-0720-Z mà còn mang đến những giá trị gia tăng khác:
- Hỗ trợ kỹ thuật chuyên sâu: Đội ngũ kỹ sư của chúng tôi được đào tạo bài bản, sẵn sàng tư vấn và hỗ trợ bạn trong việc lựa chọn, lắp đặt và bảo trì sản phẩm.
- Tư vấn giải pháp tối ưu: Chúng tôi hiểu rằng mỗi ứng dụng có những yêu cầu riêng. CTI Supply sẽ phân tích nhu cầu của bạn để đưa ra giải pháp dẫn hướng tuyến tính phù hợp nhất.
- Giá cả cạnh tranh: Là đại lý chính thức, chúng tôi cam kết mang đến mức giá tốt nhất trên thị trường, đi kèm với sản phẩm chính hãng, có đầy đủ giấy tờ chứng nhận CO/CQ.
Nếu bạn đang tìm kiếm một giải pháp dẫn hướng tuyến tính đáng tin cậy cho hệ thống của mình, hãy để CTI Supply đồng hành cùng bạn.

5. Liên hệ.
Các bạn có thể tham khảo thêm sản phẩm bằng cách nhấp vào : CATALOGUE
Hãy liên hệ CTI SUPPLY – nhà phân phối Rollon tại Việt Nam để được hỗ trợ kỹ thuật và gửi báo giá nhanh nhất. Đội ngũ CTI SUPPLY rất hân hạnh được hỗ trợ quý khách hàng! Hotline: 0906.494.486 ; Email: [email protected]

English
