Netter Vibration NCT 4
Sản phẩm turbine vibrator NCT 4 của Netter Vibration là thiết bị rung mạnh mẽ, tiết kiệm khí và phù hợp với nhiều ứng dụng xử lý vật liệu rời trong các ngành thực phẩm, hóa chất, vật liệu xây dựng và logistics.

Đặc điểm nổi bật của Netter Vibration NCT 4
- Tần số rung cao với lực ly tâm mạnh. Theo thông số từ nhà phân phối Rapid Electronics, NCT 4 đạt tần số từ 21.740 đến 30.380 rpm, kết hợp với lực ly tâm 597 – 1.165 N tùy mức áp suất khí nén. Đây là mức lực mạnh mẽ giúp dễ dàng xử lý các loại vật liệu khó chảy, bám dính hoặc đóng bánh trong phễu chứa.
- Hoạt động trơn tru và êm ái. Dòng turbine vibrator tạo dao động bằng cánh turbine không ma sát trực tiếp, giúp giảm tiếng ồn đáng kể và tăng tuổi thọ thiết bị. Các model trong dòng NCT được thiết kế duy trì độ ồn thấp nhờ hệ thống giảm âm và vòng bi bôi trơn liên tục, đảm bảo vận hành ổn định kể cả ở tần số cao.
- Không cần bảo trì, tuổi thọ cao. Netter Vibration chú trọng vào thiết kế giúp thiết bị vận hành hoàn toàn không cần dầu bôi trơn, không sinh tạp chất, thích hợp cho ngành thực phẩm hoặc các môi trường yêu cầu vệ sinh cao. Hệ thống vòng bi bôi trơn vĩnh viễn cho phép NCT 4 hoạt động hàng nghìn giờ mà không cần bảo trì cơ khí phức tạp.
- Thiết kế chống chịu môi trường khắc nghiệt. NCT 4 sở hữu thiết kế chắc chắn, chống bụi, chống ẩm và hoạt động tốt trong môi trường công nghiệp nặng. Một điểm mạnh khác là sự kháng hóa chất và khả năng sử dụng trong khu vực có yêu cầu ATEX khi chọn phiên bản phù hợp (dành cho môi trường dễ cháy nổ)
Ứng dụng điển hình
Với khả năng cung cấp dao động mạnh và ổn định, Netter Vibration NCT 4 được ứng dụng rộng rãi trong:
- Xử lý vật liệu rời. giúp phá vòm, giảm độ nén vật liệu trong silo, hopper, thùng chứa. Lực rung mạnh làm vật liệu chảy đều hơn, hạn chế tắc nghẽn trong quá trình vận hành.
- Sàng – phân loại vật liệu. Tần số cao giúp tăng độ hiệu quả của máy sàng, tách liệu đồng đều hơn, cải thiện năng suất.
- Máng cấp liệu – băng tải rung. Cung cấp dao động tròn ổn định giúp vận chuyển vật liệu mịn hoặc dạng hạt, tăng tốc độ và sự đồng nhất.
- Ngành thực phẩm – dược phẩm. Do vận hành không dầu, phù hợp với môi trường yêu cầu sạch, không ô nhiễm.
- Giảm ma sát – chống bám dính. Các bề mặt truyền tải dễ bị dính liệu được xử lý hiệu quả bằng rung turbine, hạn chế vật liệu như bột, hạt mịn, nhựa bị kẹt.
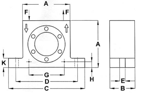
Thông số kỹ thuật Netter Vibration NCT 4
| Thông số | Giá trị |
| Tần số danh định (2 – 6 bar) | 21.740 – 30.380 rpm |
| Lực ly tâm (2 – 6 bar) | 597 – 1.165 N |
| Áp suất làm việc | 2 – 6 bar |
| Tiêu thụ khí (2 – 6 bar) | 31 – 73 l/min |
| Độ ồn | 62 – 76 dB(A) |
| Kích thước A/B/C/D | 50 / 32 / 86 / 68 mm |
| Kết nối khí nén | G1/8 |
| Trọng lượng | 0,24 kg |
| Loại rung | Rung turbine (rotary vibration) |
| Đường kính piston | 8 mm |
| Nhiệt độ môi trường | 5 – 60°C |
| Trọng lượng thiết bị | 0,09 kg (90 g) |

Liên hệ.
Khách hàng cần tư vấn kỹ thuật, báo giá thì có thể liên hệ với CTI Supply là đối tác bán hàng của Netter Vibration.
Các bạn có thể tìm hiểu thêm thông tin về sản phẩm Netter Vibration
Hãy liên hệ CTI SUPPLY – để được hỗ trợ kỹ thuật và tư vấn nhanh nhất. Đội ngũ CTI SUPPLY rất hân hạnh được hỗ trợ quý khách hàng! Hotline: 0906.494.486 ; Email: [email protected]
Hoặc chat qua Zalo: https://zalo.me/0906.494.486

English

Đánh giá
Chưa có đánh giá nào.