Trong các hệ thống truyền động cơ khí yêu cầu khả năng chịu tải và bù lệch góc linh hoạt, bạc đạn mắt trâu là một linh kiện cơ bản nhưng giữ vai trò rất quan trọng để đảm bảo máy móc vận hành ổn định. Đối với các ứng dụng tiêu chuẩn, mã sản phẩm BRM08-00-501 của thương hiệu Durbal (Đức) hiện đang được nhiều kỹ sư và nhà máy sử dụng nhờ đáp ứng tốt các yêu cầu về thông số kỹ thuật và độ bền cơ học.
Bài viết dưới đây sẽ đi thẳng vào các đặc tính chi tiết, nguyên lý hoạt động cũng như đánh giá khách quan về ưu, nhược điểm của dòng bạc đạn BRM08-00-501, giúp bạn có đầy đủ thông tin thực tế trước khi đưa vào bản vẽ thiết kế hoặc bảo trì bảo dưỡng.

1. Tổng quan về dòng sản phẩm Durbal BRM08-00-501.
Durbal là một thương hiệu lâu đời của Đức, hiện thuộc tập đoàn Rollon, nổi tiếng với các sản phẩm cơ khí chính xác. Mã sản phẩm BRM08-00-501 là một loại đầu thanh nối có ren ngoài (Male thread rod end) thuộc phân khúc tiêu chuẩn (Standard Line).
Sản phẩm này được thiết kế để chịu các lực tác động hướng tâm và một phần lực dọc trục, chủ yếu dùng làm khớp nối trong các cơ cấu truyền động có biên độ dao động và tốc độ từ thấp đến trung bình. Cấu trúc của BRM08-00-501 đòi hỏi việc bảo dưỡng định kỳ (có vú mỡ hoặc lỗ tra mỡ) để duy trì khả năng hoạt động trơn tru giữa các bề mặt kim loại tiếp xúc.
2. Nguyên lý hoạt động của Bạc đạn mắt trâu.
Nguyên lý làm việc của bạc đạn mắt trâu dựa trên cơ cấu trượt mặt cầu. Khác với bạc đạn bi thông thường (lăn có ma sát thấp), khớp mắt trâu bao gồm một vòng trong có bề mặt lồi hình cầu trượt bên trong một vòng ngoài (hoặc lớp lót) có bề mặt lõm tương ứng.
Khi hệ thống vận hành, cấu trúc này cho phép trục đi qua lỗ của bạc đạn có thể thực hiện 3 bậc tự do: quay quanh trục chính, nghiêng sang trái/phải và dao động lên/xuống trong một giới hạn góc nhất định (thường gọi là góc nghiêng cho phép – angle of tilt). Khả năng tự lựa này giúp triệt tiêu các ứng suất uốn nguy hiểm lên thanh truyền khi hai điểm kết nối không hoàn toàn đồng trục, từ đó bảo vệ kết cấu cơ khí tổng thể khỏi tình trạng nứt gãy.
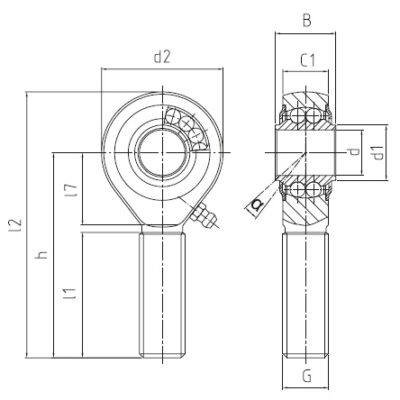
3. Phân tích đặc tính kỹ thuật và thông số chi tiết.

Để hệ thống vận hành an toàn, việc bám sát thông số kỹ thuật là điều bắt buộc. Mã BRM08-00-501 được chế tạo theo các tiêu chuẩn kích thước công nghiệp DIN ISO 12240-4, đảm bảo khả năng lắp lẫn dễ dàng.
Thông số kích thước cơ bản:
-
Đường kính lỗ (d): 8 mm (Dung sai chuẩn, phù hợp cho các chốt khóa hoặc trục định vị đường kính phi 8).
-
Bước ren ngoài (Thread): M8 x 1.25 (Ren phải tiêu chuẩn). Chiều dài đoạn ren đủ để tinh chỉnh khoảng cách trên thanh truyền.
-
Bề rộng vòng trong (B): 12 mm.
-
Bề rộng vòng ngoài (C1): 9 mm.
-
Góc nghiêng tối đa (Angle of tilt): Dao động trong khoảng 13 độ đến 15 độ tùy thuộc vào cấu trúc gá kẹp thực tế.
Đặc tính vật liệu chế tạo:
-
Thân (Housing): Làm từ thép rèn hoặc thép gia công cường độ cao, bề mặt được mạ kẽm (galvanized) để chống lại các tác nhân gây rỉ sét trong môi trường công nghiệp thông thường.
-
Vòng trong (Inner ring): Chế tạo từ thép vòng bi chịu mài mòn cao (Bearing steel), được nhiệt luyện tôi cứng, mài nhẵn và mạ crom cứng. Quá trình xử lý này giúp giảm tối đa hệ số ma sát khi trượt.
-
Lớp lót trượt (Race/Insert): Sử dụng hợp kim đồng thau (Bronze) đặc biệt. Đồng thau có đặc tính tản nhiệt tốt, ngậm mỡ hiệu quả và có khả năng chịu tải va đập ổn định.
Thông số chịu tải (Tham khảo theo tiêu chuẩn Rollon/Durbal):
-
Tải trọng động (Dynamic Load Capacity): Đáp ứng tốt các rung động liên tục trong dây chuyền.
-
Tải trọng tĩnh (Static Load Capacity): Cấu trúc thép nguyên khối giúp bạc đạn chịu được lực kéo/nén tĩnh rất cao mà không bị biến dạng dẻo.
-
Nhiệt độ hoạt động: Từ -40 độ C đến +120 độ C (nếu sử dụng loại mỡ bôi trơn tiêu chuẩn).
4. Đánh giá khách quan: Điểm mạnh và Điểm yếu.
Để có cái nhìn khách quan trong việc chọn lọc vật tư, dưới đây là những ưu nhược điểm cốt lõi của BRM08-00-501:

Điểm mạnh:
-
Khả năng chịu tải va đập tốt: Nhờ cấu trúc tiếp xúc bề mặt lớn giữa vòng trong và lớp lót đồng, sản phẩm tản lực rất tốt khi gặp tải trọng sốc.
- Hệ số ma sát cực thấp: Nhờ tích hợp vòng bi, sản phẩm cho phép tốc độ quay lên đến 1300 vòng/phút, vượt trội hoàn toàn so với các loại khớp trượt kim loại thông thường (chỉ giới hạn ở tốc độ chậm).
-
Độ cứng vững cao: Thiết kế ren ngoài liền khối với vỏ giúp tăng khả năng truyền lực dọc trục.
-
Dễ tinh chỉnh: Ren M8 tiêu chuẩn giúp kỹ sư dễ dàng xoay vặn để điều chỉnh chiều dài hành trình của xi lanh hoặc thanh giằng.
- Khe hở cơ học (Clearance) nhỏ: Độ rơ lắc gần như bằng không, giúp đảm bảo độ chính xác lặp lại cao trong các cơ cấu tự động hóa định vị.
Điểm yếu:
-
Yêu cầu bảo trì: Khác với dòng bạc đạn tự bôi trơn (PTFE), mã BRM08-00-501 bắt buộc phải được tra mỡ định kỳ để tránh khô, mòn khuyết bề mặt lót đồng.
-
Không phù hợp tốc độ quay cao: Đây là linh kiện dùng cho dao động và trượt có tốc độ chậm; nếu dùng để quay vòng liên tục ở tốc độ lớn sẽ sinh nhiệt và hỏng hóc nhanh chóng.
5. Ứng dụng phổ biến trong công nghiệp.
Với đường kính 8mm nhỏ gọn nhưng chắc chắn, Bạc đạn mắt trâu BRM08-00-501 xuất hiện ở rất nhiều cơ cấu máy móc:
-
Cơ cấu tự động hóa: Làm khớp nối cho các cơ cấu tay gắp, cơ cấu cam, thanh giằng định hướng trong máy đóng gói, máy in công nghiệp.
-
Hệ thống xi lanh: Được gắn trực tiếp vào đầu cần xi lanh khí nén hoặc thủy lực cỡ nhỏ để truyền động mở cửa, đẩy phôi.
-
Ngành chế tạo ô tô, thiết bị: Dùng trong các hệ thống tay đòn lái, bàn đạp, hệ thống cần số của máy kéo, xe chuyên dụng.
6. Đại lý phân phối Rollon Durbal tại Việt Nam – CTI Supply.
Việc lựa chọn nhà cung cấp uy tín là yếu tố quan trọng để đảm bảo mua đúng linh kiện kỹ thuật chất lượng, tránh rủi ro dừng máy do hàng kém chất lượng.
Tại Việt Nam, Công ty CTI Supply hiện là đối tác và đại lý phân phối chính thức các dòng sản phẩm của tập đoàn ROLLON, bao gồm cả thương hiệu Durbal. Khi đặt mua mã BRM08-00-501 hoặc các thiết bị truyền động khác tại CTI Supply, khách hàng sẽ được đảm bảo:
-
Hàng hóa chính hãng: Nguồn gốc xuất xứ rõ ràng, đầy đủ chứng từ CO/CQ.
-
Tư vấn kỹ thuật chuyên môn: Đội ngũ kỹ sư có kinh nghiệm sẽ hỗ trợ đọc bản vẽ, tính toán tải trọng và kiểm tra độ tương thích của thiết bị.
-
Mức giá cạnh tranh: Chính sách giá tốt nhất cho các nhà máy mua số lượng lớn hoặc các đơn vị chế tạo máy (OEM).
-
Hỗ trợ nhanh chóng: Dịch vụ hậu mãi chuyên nghiệp, sẵn sàng giải quyết các vấn đề phát sinh trong quá trình lắp đặt và sử dụng.
7. Thông Tin Liên Hệ CTI Supply.
- Công ty TNHH CTI Supply
- Địa chỉ: 52 Huỳnh Thiện Lộc, Phường Tân Phú, Thành phố Hồ Chí Minh..
- Hotline: (+84) 906 494 486
- Hoặc chat qua Zalo: https://zalo.me/0906.494.486
- Email: [email protected]
- Website: https://ctisupply.vn/
Bạn có thể tìm hiểu thêm về các sản phẩm của DURBAL . Nếu bạn cần thêm thông tin chi tiết hoặc tư vấn về sản phẩm phù hợp, hãy liên hệ với CTI Supply ngay hôm nay để trải nghiệm sự khác biệt và dịch vụ chuyên nghiệp từ đội ngũ của chúng tôi!

English


Đánh giá
Chưa có đánh giá nào.