Con lăn cam GC52EEMSW là sản phẩm chất lượng cao thuộc dòng con lăn dẫn hướng do hãng Nadella sản xuất. Đây là lựa chọn lý tưởng cho các ứng dụng yêu cầu truyền động chính xác, độ bền cao và hiệu suất vận hành tối ưu. Tại thị trường Việt Nam, CTI Supply tự hào là đại lý chính thức của Nadella, chuyên cung cấp các dòng sản phẩm chính hãng, kèm theo dịch vụ kỹ thuật chuyên sâu và giá cả cạnh tranh.

1. Ứng dụng của Con lăn cam Nadella GC52EEMSW
GC52EEMSW là mã sản phẩm thuộc dòng con lăn cam chuyên dụng, được ứng dụng rộng rãi trong các ngành công nghiệp cơ khí và tự động hóa như:
-
Máy công cụ: Dẫn hướng chính xác cho bàn trượt, đầu khoan, đầu cắt.
-
Dây chuyền sản xuất tự động: Truyền động tuyến tính cho cơ cấu nâng hạ, dịch chuyển sản phẩm.
-
Ngành đóng gói: Tích hợp trong hệ thống cam để đảm bảo vận hành mượt mà, chính xác theo chu kỳ.
-
Robot công nghiệp và hệ thống pick & place: Dẫn động tuyến tính có tải trọng cao và độ chính xác tuyệt đối.
-
Thiết bị vận chuyển trong kho: Con lăn chịu tải và va đập cao.
Với thiết kế tối ưu, con lăn cam GC52EEMSW đảm bảo hoạt động bền bỉ trong môi trường làm việc liên tục, chịu rung động và tải trọng lớn.
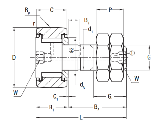
2. Đặc tính kỹ thuật nổi bật.

Con lăn cam sở hữu nhiều đặc điểm kỹ thuật ưu việt:
-
Vật liệu chất lượng cao: Thân con lăn được chế tạo từ thép chịu lực tôi cứng, bề mặt làm việc được xử lý nhiệt để tăng độ cứng và khả năng chống mài mòn.
-
Ổ bi bên trong được thiết kế chính xác, giúp phân bổ lực đều và giảm ma sát trong quá trình vận hành.
-
Vòng ngoài có biên dạng cong, thích hợp cho chuyển động tuyến tính trên rãnh cam, đảm bảo tiếp xúc ổn định và giảm mài mòn.
-
Tích hợp phốt chắn mỡ (EEM): Giúp bảo vệ vòng bi khỏi bụi bẩn và tăng tuổi thọ sản phẩm, giảm nhu cầu bảo trì.
-
Vít cài ren (SW): Cho phép lắp đặt nhanh chóng và chắc chắn vào khung máy hoặc hệ dẫn động.
3. Công dụng.
GC52EEMSW là giải pháp lý tưởng cho các ứng dụng đòi hỏi:
-
Chuyển động tuyến tính chính xác trên hệ thống dẫn hướng.
-
Tải trọng lớn và vận hành liên tục, phù hợp với môi trường công nghiệp nặng.
-
Tiết kiệm không gian lắp đặt, nhờ thiết kế nhỏ gọn và tích hợp cơ cấu bắt vít tiện lợi.
-
Tuổi thọ cao và ít bảo trì, nhờ hệ thống phốt chắn mỡ và cấu trúc vòng bi bền bỉ.
Với khả năng hoạt động trong điều kiện khắc nghiệt, con lăn cam mang đến hiệu suất vận hành ổn định và tin cậy cho doanh nghiệp.
4. Tại sao nên chọn CTI Supply?
CTI Supply là đại lý chính thức của Nadella tại Việt Nam, mang đến cho khách hàng sự yên tâm tuyệt đối về nguồn gốc và chất lượng sản phẩm. Khi mua con lăn cam tại CTI Supply, bạn nhận được:
-
Sản phẩm chính hãng, nhập khẩu nguyên chiếc từ châu Âu
-
Báo giá cạnh tranh và minh bạch
-
Tư vấn kỹ thuật chuyên sâu theo yêu cầu ứng dụng thực tế
-
Hỗ trợ bảo hành, bảo trì và thay thế chính xác
-
Thời gian giao hàng nhanh chóng, đảm bảo tiến độ sản xuất
Đội ngũ kỹ sư của CTI Supply sẵn sàng hỗ trợ khách hàng trong việc lựa chọn đúng sản phẩm, đề xuất giải pháp tối ưu và đảm bảo hệ thống vận hành hiệu quả lâu dài.
5. Liên hệ.
Các bạn có thể tìm hiểu thêm thông tin về đại lý Nadella
Hãy liên hệ CTI SUPPLY – để được hỗ trợ kỹ thuật và tư vấn nhanh nhất. Đội ngũ CTI SUPPLY rất hân hạnh được hỗ trợ quý khách hàng! Hotline: 0906.494.486 ; Email: sales@ctisupply.vn
Hoặc chat qua Zalo: https://zalo.me/0906.494.486

English

Đánh giá
Chưa có đánh giá nào.